分析

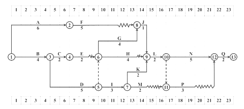
案例题 某工程,建设单位与施工单位按照《建设工程施工合同(示范文本)》签订了施工合同,经项目监理机构批准的施工总进度计划如图1所示(时间单位:月),各项工作均按最早开始时间安排且匀速施工。

施工过程中发生如下事件:
事件1:工作A为基础工程,施工中发现未探明的地下障碍物,处理障碍物导致工作A暂停施工0.5个月,施工单位机械闲置损失12万元,施工单位向项目监理机构提出工程延期和费用补偿申请。
事件2:由于建设单位订购的工程设备未按照合同约定时间进场,使工作J推迟2个月开始,造成施工人员窝工损失6万元,施工单位向项目监理机构提出索赔,要求工期延期2个月,补偿费用6万元。
事件3:事件2发生后,建设单位要求工程仍按原计划工期完工,为此,施工单位决定采取赶工措施,经确认,相关工作赶工费率及可缩短时间,见下表。


【问题】
1.指出施工总进度计划的关键线路(用工作名称表示,如:A→B→C)及工作E、M的总时差和自由时差。
2.针对事件1,项目监理机构应批准工程延期和费用补偿各为多少?说明理由。
3.针对事件2,项目监理机构应批准工程延期和费用补偿各为多少?说明理由。
4.针对事件3,为使赶工费用最少,应选哪几项工作进行压缩?说明理由。需要增加赶工费多少万元?

正确答案
1.关键线路为:B→D→I→K→L→N→Q、B→D→G→J→L→N→Q。
E的总时差为1个月,自由时差为1个月。
M的总时差为4个月,自由时差为2个月。
2.项目监理机构应批准工程延期0个月。
理由:虽然施工中发现未探明的地下障碍物,处理障碍物导致工作A暂停施工属于建设单位的责任,但是A工作有2个月的总时差,停工0.5个月并不影响总工期,所以不存在工程延期的问题,项目监理机构不应批准工程延期。
项目监理机构应批准费用补偿12万元。
理由:因为施工中发现未探明的地下障碍物,处理障碍物导致工作A暂停施工属于建设单位的责任,由此而导致机械闲置损失12万元,造成了施工单位直接经济损失,如果施工单位能在施工合同约定的期限内提出费用索赔,则项目监理机构应批准其费用补偿12万元。
3.项目监理机构应批准工程延期2个月。
理由:建设单位订购的工程设备未按照合同约定时间进场,导致J工作延期,属于建设单位责任,且J工作属于关键工作,J工作延期2个月会造成工程延期2个月,因此,如果施工单位能在施工合同约定的期限内提出工期索赔,则项目监理机构理应批准工程延期2个月。
项目监理机构应批准费用补偿6万元。
理由:建设单位订购的工程设备未按照合同约定时间进场,导致施工单位窝工损失6万元,属于建设单位责任,因此,如果施工单位能在施工合同约定的期限内提出费用索赔,则项目监理机构理应批准费用补偿6万元。
4.针对事件3,为使赶工费用最少,应选N、L工作进行压缩。
理由:由于调整非关键工作不会影响总工期,因此,只能选择缩短J工作后面的关键工作共计两个月的时间,即缩短L工作、N工作或者Q工作的时间。鉴于赶工费率:N<L<Q,因此,理应选择缩短N工作1.5个月、L工作0.5个月。
增加的赶工费用=10×1.5+20×0.5=25万元。
查看解析

相关试题

刷题小程序
案例分析(土木建筑)题库小程序