首页
考研
最新考研题库
中外美术史23新版
建筑类
二级建造师
一级建造师
一级造价工程师
监理工程师
安全工程师
一级消防工程师
消防设施操作员
医学类
主治类
执业药师
护师(初级)资格证考试
主管护师(中级)资格证考试
护士资格证考试
医师类
中药学类
金融类
基金从业资格
银行从业资格
证券从业资格
期货从业资格
银行招聘考试
财会类
初级经济师
中级经济师
初级会计师
中级会计师
注册会计师
税务师
资产评估师
教师类
中学教师笔试
小学教师笔试
幼儿教师笔试
幼儿结构化面试
幼儿专业面试
中小学结构化面试
学历提升
成考(专升本)
成考(高起本、高起专)
自考
网校课程
登录
注册好礼
我的主页
我的提问
我的回答
退出
当前位置:
首页
>
(结构) 基础考试一级
>
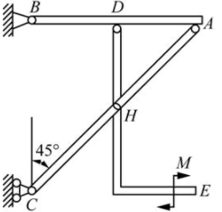
单选题 三杆AB、AC及DEH用铰链连接如图。已知:AD=BD=0.5m,E端受一力偶作用,其矩M=1kN·m。则支座C
单选
单选题 三杆AB、AC及DEH用铰链连接如图。已知:AD=BD=0.5m,E端受一力偶作用,其矩M=1kN·m。则支座C的约束力为( )。
A A
B B
C C
D D
E E
正确答案
D
查看解析
搜索
相关试题
单选
单选题 当x→0时,与x2为同阶无穷小的是( )。
A A B B C C D D E E
查看
单选
单选题
A A B B C C D D E E
查看
单选
单选题 若函数f(x)在x=x0处取得极值,则下列结论成立的是( )。
A A B B C C D D E E
查看
单选
单选题 下列结论正确的是( )。
A A B B C C D D E E
查看
单选
A 不连续 B 连续但不可导 C 可导且导数为1 D 可导且导数为0 E
查看
单选
方程x3+x-1=0( )。
A 无实根 B 只有一个实根 C 有两个实根 D 有三个实根 E
查看
单选
B e C e-1 D 不存在
查看
单选
A 双曲线 B 抛物线 C 圆 D 不存在
查看
单选
B 1 C 2 D -1
查看
单选
单选题
A A B B C C D D E E
查看
刷题小程序
热门试卷
2017年注册结构工程师《公共基础考试》真题
2018年注册结构工程师《公共基础考试》真题
2019年注册结构工程师《公共基础考试》真题
2020年注册结构工程师《公共基础考试》真题
2021年注册结构工程师《公共基础考试》真题
2022年注册结构工程师《公共基础考试》真题
2022延考年注册结构工程师《公共基础考试》真题
2023年注册结构工程师《公共基础考试》真题
2024年注册结构工程师《公共基础考试》真题