首页
考研
最新考研题库
中外美术史23新版
建筑类
二级建造师
一级建造师
一级造价工程师
监理工程师
安全工程师
一级消防工程师
消防设施操作员
医学类
主治类
执业药师
护师(初级)资格证考试
主管护师(中级)资格证考试
护士资格证考试
医师类
中药学类
金融类
基金从业资格
银行从业资格
证券从业资格
期货从业资格
银行招聘考试
财会类
初级经济师
中级经济师
初级会计师
中级会计师
注册会计师
税务师
资产评估师
教师类
中学教师笔试
小学教师笔试
幼儿教师笔试
幼儿结构化面试
幼儿专业面试
中小学结构化面试
学历提升
成考(专升本)
成考(高起本、高起专)
自考
网校课程
登录
注册好礼
我的主页
我的提问
我的回答
退出
当前位置:
首页
>
(结构) 专业考试一级
>
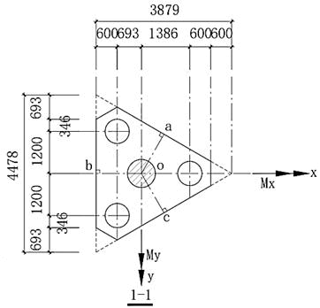
某办公楼结构安全等级为二级,抗震设防烈度为8度(0.20g),某框架柱基础采用等边三桩承台,桩采用泥浆护壁钻孔灌注桩,桩
单选
某办公楼结构安全等级为二级,抗震设防烈度为8度(0.20g),某框架柱基础采用等边三桩承台,桩采用泥浆护壁钻孔灌注桩,桩直径d=600mm。框架柱为圆柱,直径为800mm。②层粉砂层为液化土层,且该层各点的标贯击数实测值N与液化判别标贯击数临界值Ncr的比值λN在0.8和1.0之间。
假设,在作用基本组合下,柱作用在承台顶面的竖向力F=3030kN,绕柱底截面形心的弯矩Mx=120kN·m,My=312kN·m,忽略柱剪力。试问,承台设计时,承台的oa、ob和oc三个截面上弯矩的最大设计值,与下列何项数值最为接近?( )
提示:按《建筑桩基技术规范》(JGJ 94—2008)作答。
A 850kN·m
B 950kN·m
C 1100kN·m
D 1200kN·m
正确答案
A
查看解析
搜索
相关试题
单选
某山区一座公路桥梁,位于抗震设防烈度Ⅷ度区,抗震设防类别为B类。由于桥墩高度相差较大,拟采用抗震体系类型Ⅱ,即通过选用减隔震支座减少结构地震反应。假定,该桥采用
A 1.0m B 4.0m C 6.0m D 10.0m
查看
单选
某砌体房屋,安全等级为二级,采用墙下钢筋混凝土条形基础,拟采用换填垫层法进行地基处理,因工期紧张,垫层换填完成,检验合格后即进行基础及上部结构施工。基础及其上土
A Pz+Pcz>faz B Pz+Pcz=faz C Pz+Pcz<faz D 无法判断
查看
单选
某砌体房屋,安全等级为二级,采用墙下钢筋混凝土条形基础,拟采用换填垫层法进行地基处理,因工期紧张,垫层换填完成,检验合格后即进行基础及上部结构施工。基础及其上土
A 30mm B 40mm C 50mm D 60mm
查看
单选
某拟建17层现浇混凝土框架-剪力墙结构,单层地下室(兼作人防),梁板式筏形基础,首层高3.8m(室内外高差0.15m),其他层层高3.55m,平面、竖向规则,抗
A 特一级 B 一级 C 二级 D 三级
查看
单选
某框架结构,平面、竖向规则,各层刚心与重心重合,柱网尺寸均为6.8m×8.4m,结构安全等级为二级,不考虑地震作用,基础及其上土的加权平均重度为20kN/m3。
A 170kPa B 185kPa C 200kPa D 220kPa
查看
单选
某框架结构,平面、竖向规则,各层刚心与重心重合,柱网尺寸均为6.8m×8.4m,结构安全等级为二级,不考虑地震作用,基础及其上土的加权平均重度为20kN/m3。
B 1 C 2 D 3
查看
单选
某框架结构,平面、竖向规则,各层刚心与重心重合,柱网尺寸均为6.8m×8.4m,结构安全等级为二级,不考虑地震作用,基础及其上土的加权平均重度为20kN/m3。
A 350mm B 400mm C 450mm D 500mm
查看
单选
某框架结构,平面、竖向规则,各层刚心与重心重合,柱网尺寸均为6.8m×8.4m,结构安全等级为二级,不考虑地震作用,基础及其上土的加权平均重度为20kN/m3。
A 1.1 B 1.20 C 1.30 D 1.45
查看
单选
某跨线桥上部结构采用现浇预应力混凝土连续箱梁,跨径布置为30m+35m+30m,下部结构两中墩柱与主梁固接连接。经计算,主梁某中墩支点截面处弯矩,最不利工况下9
A -8500kN·m B -11500kN·m C -15500kN·m D -19000kN·m
查看
单选
某公路上的一座预应力混凝土现浇箱形梁桥,其体内纵向预应力钢束在腹板变宽区域平弯渐变,钢束保护层厚度按规范构造要求取最小值,为防止钢束径向力挤压混凝土保护层而产生
A 6mm B 10mm C 16mm D 25mm
查看
刷题小程序
热门试卷
2018年(上午)一级注册结构工程师《 专业考试》真题
2018年(下午)一级注册结构工程师《 专业考试》真题
2019年(上午)一级注册结构工程师《 专业考试》真题
2019年(下午)一级注册结构工程师《 专业考试》真题
2020年(上午)一级注册结构工程师《 专业考试》真题
2020年(下午)一级注册结构工程师《 专业考试》真题
2021年(上午)一级注册结构工程师《 专业考试》真题
2021年(下午)一级注册结构工程师《 专业考试》真题
2022年(上午)一级注册结构工程师《 专业考试》真题
2022年(下午)一级注册结构工程师《 专业考试》真题
2023年(上午)一级注册结构工程师《 专业考试》真题
2023年下午)一级注册结构工程师《 专业考试》真题
2024年(上午)一级注册结构工程师《 专业考试》真题
2024年(下午)一级注册结构工程师《 专业考试》真题