首页
考研
最新考研题库
中外美术史23新版
建筑类
二级建造师
一级建造师
一级造价工程师
监理工程师
安全工程师
一级消防工程师
消防设施操作员
医学类
主治类
执业药师
护师(初级)资格证考试
主管护师(中级)资格证考试
护士资格证考试
医师类
中药学类
金融类
基金从业资格
银行从业资格
证券从业资格
期货从业资格
银行招聘考试
财会类
初级经济师
中级经济师
初级会计师
中级会计师
注册会计师
税务师
资产评估师
教师类
中学教师笔试
小学教师笔试
幼儿教师笔试
幼儿结构化面试
幼儿专业面试
中小学结构化面试
学历提升
成考(专升本)
成考(高起本、高起专)
自考
网校课程
登录
注册好礼
我的主页
我的提问
我的回答
退出
当前位置:
首页
>
(结构) 专业考试一级
>
某高层办公楼,采用钢框架-钢筋混凝土核心筒结构,地上34层,地下3层,房屋高度150m,标准层平面如题图所示,地上1~4
单选
某高层办公楼,采用钢框架-钢筋混凝土核心筒结构,地上34层,地下3层,房屋高度150m,标准层平面如题图所示,地上1~4层层高6.0m,5~34层层高4.2m,抗震设防烈度为7度(0.10g),标准设防类,结构竖向规则,无薄弱层,核心筒底部4层外墙厚度为600mm,地下室顶板可作为上部结构的嵌固部位。
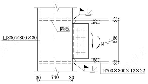
假定,中部楼层某角柱节点如题图所示,钢材采用Q355(fv=170N/mm2),角柱截面为口800×800×30,x向、y向框架梁截面均为H700×300×12×22,水平隔板厚度为24mm,多遇地震作用下,x向、y向框架梁考虑水平地震组合的梁端弯矩设计值的最大值均为M。试问,M不超下列何项数值时,节点域抗剪承载力满足《高层民用建筑钢结构技术规程》(JGJ 99—2015)的相关要求?( )
提示:①不进行节点域屈服承载力及稳定性验算;
②x向、y向弯矩不同时考虑。
A 4200kN·m
B 5600kN·m
C 6300kN·m
D 8400kN·m
正确答案
D
查看解析
搜索
相关试题
单选
某山区一座公路桥梁,位于抗震设防烈度Ⅷ度区,抗震设防类别为B类。由于桥墩高度相差较大,拟采用抗震体系类型Ⅱ,即通过选用减隔震支座减少结构地震反应。假定,该桥采用
A 1.0m B 4.0m C 6.0m D 10.0m
查看
单选
某砌体房屋,安全等级为二级,采用墙下钢筋混凝土条形基础,拟采用换填垫层法进行地基处理,因工期紧张,垫层换填完成,检验合格后即进行基础及上部结构施工。基础及其上土
A Pz+Pcz>faz B Pz+Pcz=faz C Pz+Pcz<faz D 无法判断
查看
单选
某砌体房屋,安全等级为二级,采用墙下钢筋混凝土条形基础,拟采用换填垫层法进行地基处理,因工期紧张,垫层换填完成,检验合格后即进行基础及上部结构施工。基础及其上土
A 30mm B 40mm C 50mm D 60mm
查看
单选
某拟建17层现浇混凝土框架-剪力墙结构,单层地下室(兼作人防),梁板式筏形基础,首层高3.8m(室内外高差0.15m),其他层层高3.55m,平面、竖向规则,抗
A 特一级 B 一级 C 二级 D 三级
查看
单选
某框架结构,平面、竖向规则,各层刚心与重心重合,柱网尺寸均为6.8m×8.4m,结构安全等级为二级,不考虑地震作用,基础及其上土的加权平均重度为20kN/m3。
A 170kPa B 185kPa C 200kPa D 220kPa
查看
单选
某框架结构,平面、竖向规则,各层刚心与重心重合,柱网尺寸均为6.8m×8.4m,结构安全等级为二级,不考虑地震作用,基础及其上土的加权平均重度为20kN/m3。
B 1 C 2 D 3
查看
单选
某框架结构,平面、竖向规则,各层刚心与重心重合,柱网尺寸均为6.8m×8.4m,结构安全等级为二级,不考虑地震作用,基础及其上土的加权平均重度为20kN/m3。
A 350mm B 400mm C 450mm D 500mm
查看
单选
某框架结构,平面、竖向规则,各层刚心与重心重合,柱网尺寸均为6.8m×8.4m,结构安全等级为二级,不考虑地震作用,基础及其上土的加权平均重度为20kN/m3。
A 1.1 B 1.20 C 1.30 D 1.45
查看
单选
某跨线桥上部结构采用现浇预应力混凝土连续箱梁,跨径布置为30m+35m+30m,下部结构两中墩柱与主梁固接连接。经计算,主梁某中墩支点截面处弯矩,最不利工况下9
A -8500kN·m B -11500kN·m C -15500kN·m D -19000kN·m
查看
单选
某公路上的一座预应力混凝土现浇箱形梁桥,其体内纵向预应力钢束在腹板变宽区域平弯渐变,钢束保护层厚度按规范构造要求取最小值,为防止钢束径向力挤压混凝土保护层而产生
A 6mm B 10mm C 16mm D 25mm
查看
刷题小程序
热门试卷
2018年(上午)一级注册结构工程师《 专业考试》真题
2018年(下午)一级注册结构工程师《 专业考试》真题
2019年(上午)一级注册结构工程师《 专业考试》真题
2019年(下午)一级注册结构工程师《 专业考试》真题
2020年(上午)一级注册结构工程师《 专业考试》真题
2020年(下午)一级注册结构工程师《 专业考试》真题
2021年(上午)一级注册结构工程师《 专业考试》真题
2021年(下午)一级注册结构工程师《 专业考试》真题
2022年(上午)一级注册结构工程师《 专业考试》真题
2022年(下午)一级注册结构工程师《 专业考试》真题
2023年(上午)一级注册结构工程师《 专业考试》真题
2023年下午)一级注册结构工程师《 专业考试》真题
2024年(上午)一级注册结构工程师《 专业考试》真题
2024年(下午)一级注册结构工程师《 专业考试》真题