首页
考研
最新考研题库
中外美术史23新版
建筑类
二级建造师
一级建造师
一级造价工程师
监理工程师
安全工程师
一级消防工程师
消防设施操作员
医学类
主治类
执业药师
护师(初级)资格证考试
主管护师(中级)资格证考试
护士资格证考试
医师类
中药学类
金融类
基金从业资格
银行从业资格
证券从业资格
期货从业资格
银行招聘考试
财会类
初级经济师
中级经济师
初级会计师
中级会计师
注册会计师
税务师
资产评估师
教师类
中学教师笔试
小学教师笔试
幼儿教师笔试
幼儿结构化面试
幼儿专业面试
中小学结构化面试
学历提升
成考(专升本)
成考(高起本、高起专)
自考
网校课程
登录
注册好礼
我的主页
我的提问
我的回答
退出
当前位置:
首页
>
(结构) 专业考试一级
>
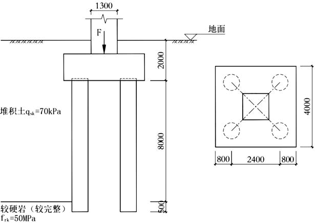
某框架结构既有建筑设计建造于2013年,采用钻孔灌注桩基础,安全等级为二级,荷载标准组合时,作用于某桩架柱下承台顶面中心
单选
某框架结构既有建筑设计建造于2013年,采用钻孔灌注桩基础,安全等级为二级,荷载标准组合时,作用于某桩架柱下承台顶面中心的竖向压力为18000kN,力矩为0,桩身直径800mm,地下水位位于桩端以下,承台及其上土的加权平均重度为20kN/m3,现拟进行增层改造,经检测桩基各项性能将符合原设计及相关规范要求。假定,增层后荷载基本组合下基桩顶轴向压力设计值为荷载标准组合下的1.35倍。
提示:不考虑偏心、地震和承台效应;不考虑桩基承载力随时间的变化。
假定,桩身混凝土强度等级C40(fc=19.1N/mm2),通长配纵筋1412,螺旋箍筋均匀配置,间距150mm,成桩工艺系数0.9,桩嵌岩段侧阻与端阻综合系数0.7,试问:按《建筑桩基技术规范》(JGJ 94—2008)估算,原桩基础对应于荷载标准组合下,作用于承台顶面中心竖向力FK允许增加的最大值,与下列何项最为接近?( )
提示:无需进行承台承载力验算。
A 6900kN
B 8140kN
C 13900kN
D 19000kN
正确答案
A
查看解析
搜索
相关试题
单选
深厚季节性冻土地区新建一幢多层普通建筑,位于稳定自然斜坡坡顶,如图所示,采用正方形独立基础。冻土地基的场地冻结深度Zd=2m,基础底面以下的土层属弱冻胀性,基础
A a=4.1m,d=0.9m B a=2.5m,d=2m C a=3.5m,d=1.5m D a=2m,d=3m
查看
单选
平坦场地上的某建筑物无地下室,拟采用摩擦型钻孔灌注桩,桩基承受竖向荷载和水平荷载,设计桩长10m,桩径800mm,EI=4.0×10^5kN·m2,m=10MN
A 10m B 9m C 8m D 7m
查看
单选
某一级公路上一座30m+40m+30m三跨预应力钢筋混凝土连续梁桥。桥区场地类别Ⅲ类,抗震设防烈度为Ⅶ度。水平向基本地震动峰值加速度为0.15g。已知,结构的阻
A 0.797g B 0.609g C 0.561g D 0.733g
查看
单选
某砌体结构房屋采用天然地基基础,持力层为较完整的中风化凝灰岩,设计前进行了三个岩石地基载荷试验,结合试验数据及p~s曲线确定的部分数据见下表,试问,根据《建筑地
A 850kPa B 950kPa C 1040kPa D 1100kPa
查看
单选
某平坦区域的丙类普通建筑,设计工作年限为50年,基本自振周期0.5s,阻尼比0.05,距离全新世发震断裂约3km,其所在地区设计基本地震加速度为0.3g,设计地
A 0.15 B 0.37 C 0.50 D 0.75
查看
单选
某建筑物采用钻孔灌注桩基础承受水平荷载,桩身直径d=800mm,主筋为14根HRB400级钢筋,钢筋直径为22mm,桩顶嵌入承台100mm。现按《建筑基桩检测技
A 45 B 50 C 65 D 75
查看
单选
某建于平坦场地高度100m环形截面钢筋混凝土烟囱如图所示,质量沿高度连续规律变化,考虑对风荷载敏感性调整后的基本风压W0=0.5kN/m2,地面粗糙度为B类,假
A 该烟囱发生超临界范围的风振,可忽略横向风振作用效应 B 该烟囱可发生亚临界微风共振,可不计算亚临界横风向风振作用效应,仅需在构造上采取防震措施 C 该烟囱第1振型可发生跨临界强风共振,第2阶振型不发生跨临界强风共振 D 该烟囱发生跨临界强风共振,应考虑第1、第2振型的横风向风振作用效应
查看
单选
某公路上一座中桥,上部结构采用T梁,下部结构采用钢筋混凝土盖梁+矩形墩柱结构形式,如下图所示,上部边梁作用在盖梁悬臂部分。已知盖梁高1200mm,墩柱宽1200
A 6755mm2 B 7378mm2 C 7756mm2 D 8116mm2
查看
单选
某公路桥上部结构采用30m后张预应力混凝土简支梁,混凝土强度等级为C50,体内钢绞线采用抗拉强度标准值为1860MPa,Ⅱ级松弛(低松弛)1×7钢绞线。预应力钢
A 910MPa B 983MPa C 1367MPa D 1378MPa
查看
单选
某高速公路一座跨河桥梁,地震设防烈度Ⅷ度,假定,设计中已知以下作用效应因素: ①桥梁结构重力(恒载); ②汽车荷载; ③汽车制动力; ④均匀温度作用; ⑤漂浮物
A ①+⑥ B ①+②+③+④+⑤+⑥ C ①+50%④+⑥ D ①+④+⑥
查看
刷题小程序
热门试卷
2018年(上午)一级注册结构工程师《 专业考试》真题
2018年(下午)一级注册结构工程师《 专业考试》真题
2019年(上午)一级注册结构工程师《 专业考试》真题
2019年(下午)一级注册结构工程师《 专业考试》真题
2020年(上午)一级注册结构工程师《 专业考试》真题
2020年(下午)一级注册结构工程师《 专业考试》真题
2021年(上午)一级注册结构工程师《 专业考试》真题
2021年(下午)一级注册结构工程师《 专业考试》真题
2022年(上午)一级注册结构工程师《 专业考试》真题
2022年(下午)一级注册结构工程师《 专业考试》真题
2023年(上午)一级注册结构工程师《 专业考试》真题
2023年下午)一级注册结构工程师《 专业考试》真题
2024年(上午)一级注册结构工程师《 专业考试》真题
2024年(下午)一级注册结构工程师《 专业考试》真题