单选

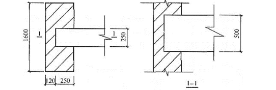
不定项选择题 某房屋窗间墙长1600mm,厚370mm,有一250mm×500mm的钢筋混凝土楼面梁支承在墙上,梁端实际支承长度为250mm,如图所示。窗间墙采用MU15级烧结普通砖、M10混合砂浆砌筑。砌体施工质量控制等级为B级。

假设,窗间墙在重力荷载代表值作用下的轴向力N=604kN。试问,该窗间墙的抗震受剪承载力设计值fvEA/γRE(kN)与下列何项数值最为接近?

A 140
B 160
C 180
D 200

正确答案
B
查看解析

相关试题

单选
某形普通钢筋混凝土构件,安全等级为二级,计算简图如图所示,梁、柱截面均为400mm×600mm,混凝土强度等级为C40,钢筋采用HRB400,as=a s′=5
A A.2550 B B.2450 C C.2350 D D.2250
查看
单选
多层砌体房屋抗震设计时,关于建筑布置和结构体系的论述: Ⅰ.应优先采用砌体墙和混凝土墙混合承重的结构体系 Ⅱ.房屋平面轮廓凹凸尺寸,不应超过典型尺寸的50%。当
A A.Ⅰ、Ⅲ B B.Ⅱ、Ⅳ C C.Ⅱ、Ⅲ D D.Ⅰ、Ⅳ
查看
单选
下列关于钢筋混凝土结构工程施工和质量验收的论述,何项不正确?
A A.混凝土结构工程采用的材料、构配件、器具及半成品应按进场批次进行检验。属于同一工程项目且同期施工的多个单位工程,对同一厂家的同批材料、构配件、器具及半成品,可统一划分检验批进行验收 B B.模板及支架应根据安装、使用和拆除工况进行设计,并应满足承载力、刚度及整体稳固性要求 C C.当纵向受力钢筋采用机械连接接头或焊接接头时,同一连接区段内纵向受力钢筋的接头面积百分率应符合设计要求;当设计无具体要求时,不直接承受动力荷载的构件,受拉钢筋接头面积百分率不宜大于50%,受压钢筋接头面积百分率不受限制 D D.成型钢筋进场时,任何情况下都必须抽取试件作屈服强度、抗拉强度、伸长率和重量偏差检验,检验结果应符合国家现行规范、规程要求
查看
单选
在7度(0.15g),I类场地上的某钢筋混凝土框架结构,其设计、施工均按现行规范进行。现根据功能要求,需要在框架柱间新增一根框架梁,新增梁的钢筋采用植筋技术。所
A A.540 B B.480 C C.420 D D.360 E
查看
单选
假定,在某医院屋顶停机坪设计中,直升机质量按3215kg计算。试问,当直升机非正常着陆时,其对屋面构件的竖向等效撞击力设计值P(kN)与下列何项数值最为接近?
A A.170 B B.200 C C.230 D D.260
查看
单选
某先张法预应力混凝土环形截面轴心受拉构件,裂缝控制等级为一级。混凝土强度等级为C60,环形外径700mm,壁厚110mm,环形截面面积A=203889mm2,纵
A A.1350 B B.1400 C C.1450 D D.1500
查看
单选
不定项选择题 某焊接工字形等截面简支梁跨度为12m,钢材采用Q235,结构的重要性系数取1.0。基本组合下,简支梁的均布荷载设计值(含自重)q=95kN/m。梁
A 200 B 190 C 180 D 170 E
查看
单选
不定项选择题 某焊接工字形等截面简支梁跨度为12m,钢材采用Q235,结构的重要性系数取1.0。基本组合下,简支梁的均布荷载设计值(含自重)q=95kN/m。梁
A 0.2 B 0.3 C 0.4 D 0.5
查看
单选
不定项选择题 某焊接工字形等截面简支梁跨度为12m,钢材采用Q235,结构的重要性系数取1.0。基本组合下,简支梁的均布荷载设计值(含自重)q=95kN/m。梁
A 0.52 B 0.65 C 0.80 D 0.91
查看
单选
不定项选择题 某焊接工字形等截面简支梁跨度为12m,钢材采用Q235,结构的重要性系数取1.0。基本组合下,简支梁的均布荷载设计值(含自重)q=95kN/m。梁
A 145 B 170 C 190 D 205
查看
刷题小程序
(结构) 专业考试一级题库小程序