首页
考研
最新考研题库
中外美术史23新版
建筑类
二级建造师
一级建造师
一级造价工程师
监理工程师
安全工程师
一级消防工程师
消防设施操作员
医学类
主治类
执业药师
护师(初级)资格证考试
主管护师(中级)资格证考试
护士资格证考试
医师类
中药学类
金融类
基金从业资格
银行从业资格
证券从业资格
期货从业资格
银行招聘考试
财会类
初级经济师
中级经济师
初级会计师
中级会计师
注册会计师
税务师
资产评估师
教师类
中学教师笔试
小学教师笔试
幼儿教师笔试
幼儿结构化面试
幼儿专业面试
中小学结构化面试
学历提升
成考(专升本)
成考(高起本、高起专)
自考
网校课程
登录
注册好礼
我的主页
我的提问
我的回答
退出
当前位置:
首页
>
(结构) 专业考试一级
>
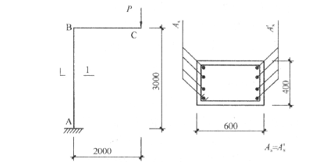
某形普通钢筋混凝土构件,安全等级为二级,计算简图如图所示,梁、柱截面均为400mm×600mm,混凝土强度等级为C40,
单选
某
形普通钢筋混凝土构件,安全等级为二级,计算简图如图所示,梁、柱截面均为400mm×600mm,混凝土强度等级为C40,钢筋采用HRB400,as=a s′=50mm,ξb=0.518。假定,不考虑地震设计状况,自重忽略不计。集中荷载设计值P=224kN,柱AB采用对称配筋。试问,按正截面承载力计算得出的柱AB单边受力钢筋As(mm2)与下列何项数值最为接近?
提示:(1)不考虑二阶效应;
(2)不必验算平面外承载力和稳定。
A A.2550
B B.2450
C C.2350
D D.2250
正确答案
D
查看解析
搜索
相关试题
单选
多层砌体房屋抗震设计时,关于建筑布置和结构体系的论述: Ⅰ.应优先采用砌体墙和混凝土墙混合承重的结构体系 Ⅱ.房屋平面轮廓凹凸尺寸,不应超过典型尺寸的50%。当
A A.Ⅰ、Ⅲ B B.Ⅱ、Ⅳ C C.Ⅱ、Ⅲ D D.Ⅰ、Ⅳ
查看
单选
下列关于钢筋混凝土结构工程施工和质量验收的论述,何项不正确?
A A.混凝土结构工程采用的材料、构配件、器具及半成品应按进场批次进行检验。属于同一工程项目且同期施工的多个单位工程,对同一厂家的同批材料、构配件、器具及半成品,可统一划分检验批进行验收 B B.模板及支架应根据安装、使用和拆除工况进行设计,并应满足承载力、刚度及整体稳固性要求 C C.当纵向受力钢筋采用机械连接接头或焊接接头时,同一连接区段内纵向受力钢筋的接头面积百分率应符合设计要求;当设计无具体要求时,不直接承受动力荷载的构件,受拉钢筋接头面积百分率不宜大于50%,受压钢筋接头面积百分率不受限制 D D.成型钢筋进场时,任何情况下都必须抽取试件作屈服强度、抗拉强度、伸长率和重量偏差检验,检验结果应符合国家现行规范、规程要求
查看
单选
在7度(0.15g),I类场地上的某钢筋混凝土框架结构,其设计、施工均按现行规范进行。现根据功能要求,需要在框架柱间新增一根框架梁,新增梁的钢筋采用植筋技术。所
A A.540 B B.480 C C.420 D D.360 E
查看
单选
假定,在某医院屋顶停机坪设计中,直升机质量按3215kg计算。试问,当直升机非正常着陆时,其对屋面构件的竖向等效撞击力设计值P(kN)与下列何项数值最为接近?
A A.170 B B.200 C C.230 D D.260
查看
单选
某先张法预应力混凝土环形截面轴心受拉构件,裂缝控制等级为一级。混凝土强度等级为C60,环形外径700mm,壁厚110mm,环形截面面积A=203889mm2,纵
A A.1350 B B.1400 C C.1450 D D.1500
查看
单选
不定项选择题 某焊接工字形等截面简支梁跨度为12m,钢材采用Q235,结构的重要性系数取1.0。基本组合下,简支梁的均布荷载设计值(含自重)q=95kN/m。梁
A 200 B 190 C 180 D 170 E
查看
单选
不定项选择题 某焊接工字形等截面简支梁跨度为12m,钢材采用Q235,结构的重要性系数取1.0。基本组合下,简支梁的均布荷载设计值(含自重)q=95kN/m。梁
A 0.2 B 0.3 C 0.4 D 0.5
查看
单选
不定项选择题 某焊接工字形等截面简支梁跨度为12m,钢材采用Q235,结构的重要性系数取1.0。基本组合下,简支梁的均布荷载设计值(含自重)q=95kN/m。梁
A 0.52 B 0.65 C 0.80 D 0.91
查看
单选
不定项选择题 某焊接工字形等截面简支梁跨度为12m,钢材采用Q235,结构的重要性系数取1.0。基本组合下,简支梁的均布荷载设计值(含自重)q=95kN/m。梁
A 145 B 170 C 190 D 205
查看
单选
不定项选择题 某焊接工字形等截面简支梁跨度为12m,钢材采用Q235,结构的重要性系数取1.0。基本组合下,简支梁的均布荷载设计值(含自重)q=95kN/m。梁
A 1/300 B 1/400 C 1/500 D 1/600
查看
刷题小程序
热门试卷
2018年(上午)一级注册结构工程师《 专业考试》真题
2018年(下午)一级注册结构工程师《 专业考试》真题
2019年(上午)一级注册结构工程师《 专业考试》真题
2019年(下午)一级注册结构工程师《 专业考试》真题
2020年(上午)一级注册结构工程师《 专业考试》真题
2020年(下午)一级注册结构工程师《 专业考试》真题
2021年(上午)一级注册结构工程师《 专业考试》真题
2021年(下午)一级注册结构工程师《 专业考试》真题
2022年(上午)一级注册结构工程师《 专业考试》真题
2022年(下午)一级注册结构工程师《 专业考试》真题
2023年(上午)一级注册结构工程师《 专业考试》真题
2023年下午)一级注册结构工程师《 专业考试》真题
2024年(上午)一级注册结构工程师《 专业考试》真题
2024年(下午)一级注册结构工程师《 专业考试》真题