首页
考研
最新考研题库
中外美术史23新版
建筑类
二级建造师
一级建造师
一级造价工程师
监理工程师
安全工程师
一级消防工程师
消防设施操作员
医学类
主治类
执业药师
护师(初级)资格证考试
主管护师(中级)资格证考试
护士资格证考试
医师类
中药学类
金融类
基金从业资格
银行从业资格
证券从业资格
期货从业资格
银行招聘考试
财会类
初级经济师
中级经济师
初级会计师
中级会计师
注册会计师
税务师
资产评估师
教师类
中学教师笔试
小学教师笔试
幼儿教师笔试
幼儿结构化面试
幼儿专业面试
中小学结构化面试
学历提升
成考(专升本)
成考(高起本、高起专)
自考
网校课程
登录
注册好礼
我的主页
我的提问
我的回答
退出
当前位置:
首页
>
电气工程师发输变电专业
>
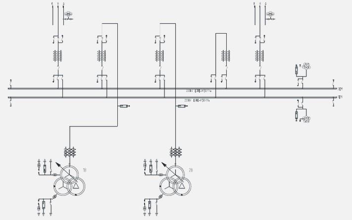
单选题 建设在海拔2000米、污秽等级为Ⅲ级的220kV屋外配电装置,采用双母线接线,有2回进线,2回出线,均为架空线路
单选
单选题 建设在海拔2000米、污秽等级为Ⅲ级的220kV屋外配电装置,采用双母线接线,有2回进线,2回出线,均为架空线路。220kV为有效接地系统,其主接线如图:
图中变压器中性点氧化锌避雷器持续运行电压和额定电压为哪个?
A A 持续运行电压0.13Um,额定电压为0.17Um
B B 持续运行电压0.45Um,额定电压为0.57Um
C C 持续运行电压0.64Um,额定电压为0.8Um
D D 持续运行电压0.58Um,额定电压为0.72Um
E
正确答案
B
查看解析
搜索
相关试题
单选
单选题 某220kV变电所,原有2台120MVA主变,主变侧电压为220/110/35kV,220kV为户外管母中型布置,管母线规格为Φ100/90;220kV
A A B B C C D D E E
查看
单选
单选题 建设在海拔2000米、污秽等级为Ⅲ级的220kV屋外配电装置,采用双母线接线,有2回进线,2回出线,均为架空线路。220kV为有效接地系统,其主接线如图
A A 165m B B 195m C C 223m D D 263m E
查看
单选
单选题 建设在海拔2000米、污秽等级为Ⅲ级的220kV屋外配电装置,采用双母线接线,有2回进线,2回出线,均为架空线路。220kV为有效接地系统,其主接线如图
A A 相对地雷电冲击电压耐压950kV,相对地工频耐受电压395kV B B 相对地雷电冲击电压耐压1055kV,相对地工频耐受电压438.5kV C C 相对地雷电冲击电压耐压1050kV,相对地工频耐受电压460kV D D 相对地雷电冲击电压耐压1175kV,相对地工频耐受电压510kV E
查看
单选
单选题 建设在海拔2000米、污秽等级为Ⅲ级的220kV屋外配电装置,采用双母线接线,有2回进线,2回出线,均为架空线路。220kV为有效接地系统,其主接线如图
A A 14 B B 15 C C 16 D D 18 E
查看
刷题小程序
热门试卷
2018年注册电气工程师发输变电《专业知识考试(下)》真题
2018年注册电气工程师发输变电《专业知识考试(上)》真题
2019年注册电气工程师发输变电《专业知识考试(下)》真题
2019年注册电气工程师发输变电《专业知识考试(上)》真题
2020年注册电气工程师发输变电《专业知识考试(下)》真题
2020年注册电气工程师发输变电《专业知识考试(上)》真题
2021年注册电气工程师发输变电《专业知识考试(下)》真题
2021年注册电气工程师发输变电《专业知识考试(上)》真题
2022年注册电气工程师发输变电《专业知识考试(下)》真题
2022年注册电气工程师发输变电《专业知识考试(上)》真题
2023年注册电气工程师发输变电《专业知识考试(下)》真题
2023年注册电气工程师发输变电《专业知识考试(上)》真题
2024年注册电气工程师发输变电《专业知识考试(下)》真题
2024年注册电气工程师发输变电《专业知识考试(上)》真题
注册电气工程师发输变电《专业案例》真题精选1