单选

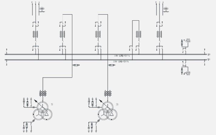
单选题 建设在海拔2000米、污秽等级为Ⅲ级的220kV屋外配电装置,采用双母线接线,有2回进线,2回出线,均为架空线路。220kV为有效接地系统,其主接线如图:图中电气设备的外绝缘当在海拔1000m以下试验时,其耐受电压为:

A A 相对地雷电冲击电压耐压950kV,相对地工频耐受电压395kV
B B 相对地雷电冲击电压耐压1055kV,相对地工频耐受电压438.5kV
C C 相对地雷电冲击电压耐压1050kV,相对地工频耐受电压460kV
D D 相对地雷电冲击电压耐压1175kV,相对地工频耐受电压510kV
E

正确答案
B
查看解析

相关试题

刷题小程序
电气工程师发输变电专业题库小程序