单选

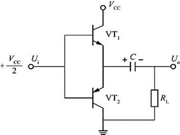
单电源乙类互补OTL电路如图所示,已知VCC=12V,RL=8Ω,ui为正弦电压,若功放管饱和输出压降UCES=0V,则负载上可能得到的最大输出功率为(  )。

A A.5W
B B.4.5W
C C.2.75W
D D.2.25W

正确答案
D
查看解析

相关试题

单选
图电路中u=-2V,则3V电压源发出的功率应为下列哪项数值?( )
A A.10W B B.3W C C.-3W D D.-10W
查看
单选
如图所示,电压u为( )。
A A.100V B B.70V C C.50V D D.25V
查看
单选
列写节点方程时,如图所示电路中B点的自导为( )。
A A.9S B B.10S C C.13S D D.8S
查看
单选
图所示正弦电流电路已标明理想交流电压表的读数(对应电压的有效值),则电容电压的有效值为( )。
A A.10V B B.30V C C.40V D D.90V
查看
单选
正弦电流流过电容元件时,下列哪项关系是正确的?( )
A A.Im=jωCUm B B.uc=Xcic C C.<img border="0" alt="" src="https://tuku.weimei168.com/uploads/upimg/20251103/24214363_0.png"> D D.<img border="0" alt="" src="https://tuku.weimei168.com/uploads/upimg/20251103/24214363_0_1.png">
查看
单选
功率表测量的功率是( )。
A A.瞬时功率 B B.无功功率 C C.视在功率 D D.有功功率
查看
单选
若电路中L=4H,C=25pF时恰好有XL=XC,此时频率f为下列哪项数值( )。
A A.15.92kHz B B.16kHz C C.24kHz D D.36kHz
查看
单选
图所示对称三相电路中,已知,负载复阻抗Z=(40+j30)Ω,则图中电流IA等于( )A。
A A.7.6∠-69° B B.13.2∠-36.9° C C.7.6∠69° D D.13.2∠36.9°
查看
单选
图所示电路,t=0时,开关S由1扳向2,在t≤0时电路已达稳态,电感和电容元件的初始值i(0+)和uC(0+)分别是( )。
A A.4A,20V B B.4A,15V C C.3A,20V D D.3A,15V
查看
单选
如图所示电路中,t=0闭合开关S,且uC1(0-)=uC2(0-)=0,则uC1(0+)等于( )。
A A.6V B B.18V C C.4V D D.0
查看
刷题小程序
电气工程师基础专业知识(基础考试)题库小程序