单选

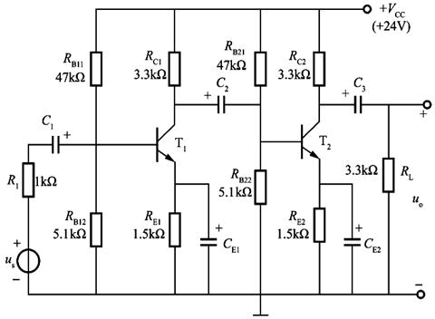
图放大电路中,b1=b2=50,rbe1=rbe2=1.5kΩ,UBE1Q=UBE2Q=0.7V,各电容器的容量均足够大。当输入信号us=4.2sin(wt)mV时,电路实际输出电压的峰值为(  )。

A A.3.3V
B B.2.3V
C C.2.0V
D D.1.8V

正确答案
A
查看解析

相关试题

单选
如图所示,电路中的u应为( )。
A A.18V B B.12V C C.9V D D.8V
查看
单选
图电路中,测得US1=10V,电流I=10A。流过电阻R的电流I1为( )。
A A.3A B B.-3A C C.6A D D.-6A
查看
单选
用回路电流法求图电路中的电流I,最少需要列几个KVL方程?( )
A A.1个 B B.2个 C C.3个 D D.4个
查看
单选
如图所示,电路的戴维南等效电路参数Uoc和Req为下列何值?( )
A A.9V,2Ω B B.3V,4Ω C C.3V,6Ω D D.9V,6Ω
查看
单选
已知RLC串联电路,R=15Ω,L=12mH,C=5μF,ω=5000rad/s,则其端口的电压与电流的相位关系是( )。
A A.电压超前电流 B B.电流超前电压 C C.电压电流同相 D D.电压超前电流90°
查看
单选
正弦电流通过电容元件时,下列关系正确的是( )。
A A.<img border="0" alt="" src="https://tuku.weimei168.com/uploads/upimg/20251103/24215264_0.png"> B B.<img border="0" alt="" src="https://tuku.weimei168.com/uploads/upimg/20251103/24215264_0_1.png"> C C.<img border="0" alt="" src="https://tuku.weimei168.com/uploads/upimg/20251103/24215264_0_2.png"> D D.<img border="0" alt="" src="https://tuku.weimei168.com/uploads/upimg/20251103/24215264_0_3.png">
查看
单选
在RLC串联电路中,XL=20Ω,若总电压维持不变而将L短路,总电流的有效值与原来相同;则XC应为下列何值?( )
A A.40Ω B B.30Ω C C.10Ω D D.5Ω
查看
单选
图电路中的R、L串联电路为日光灯的电路模型。将此电路接于50Hz的正弦交流电压源上,测得端电压为220V,电流为0.4A,功率为40W。电路吸收的无功功率Q为(
A A.76.5Var B B.78.4Var C C.82.4Var D D.85.4Var
查看
单选
已知如图所示正弦电流电路发生谐振时,电流表A1、A2的读数分别为4A和3A,则电流表A3的读数为下列何值?( )
A A.1A B B.7A C C.5A D D.不能确定
查看
单选
RLC串联电路中,在电容C上再并联一个电阻R1,则电路的谐振频率将( )。
A A.升高 B B.降低 C C.不变 D D.不确定
查看
刷题小程序
电气工程师基础专业知识(基础考试)题库小程序