首页
考研
最新考研题库
中外美术史23新版
建筑类
二级建造师
一级建造师
一级造价工程师
监理工程师
安全工程师
一级消防工程师
消防设施操作员
医学类
主治类
执业药师
护师(初级)资格证考试
主管护师(中级)资格证考试
护士资格证考试
医师类
中药学类
金融类
基金从业资格
银行从业资格
证券从业资格
期货从业资格
银行招聘考试
财会类
初级经济师
中级经济师
初级会计师
中级会计师
注册会计师
税务师
资产评估师
教师类
中学教师笔试
小学教师笔试
幼儿教师笔试
幼儿结构化面试
幼儿专业面试
中小学结构化面试
学历提升
成考(专升本)
成考(高起本、高起专)
自考
网校课程
登录
注册好礼
我的主页
我的提问
我的回答
退出
当前位置:
首页
>
电气工程师公共基础(基础考试)
>
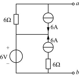
单选题 下图中电路的等效电路为( )。
单选
单选题 下图中电路的等效电路为( )。
A A
B B
C C
D D
E E
正确答案
B
查看解析
搜索
相关试题
单选
若当x→∞时,为无穷大量,则常数a、b应为( )。
A a=1,b=1 B a=1,b=0 C a=0,b=1 D a≠1,b为任意实数
查看
单选
单选题 设y=ln(1+x^2),则二阶导数y^″等于( )。
A A B B C C D D E E
查看
单选
单选题 定积分的值等于( )。
A A B B C C D D E E
查看
单选
单选题 抛物线y=x2上点处的切线是( )。 A.垂直于Ox轴 B.平行于Ox轴 C.与Ox轴正向夹角为 D.与Ox轴正向夹角为
A A B B C C D D E E
查看
单选
单选题 设A、B为两个事件,且,则概率P(B)等于( )。
A A B B C C D D E E
查看
单选
单选题 设D是圆域:x^2+y^2≤1,则二重积分等于( )。
A A B B C C D D E E
查看
单选
单选题 设G是由抛物线y=x^2和直线y=x所围成的平面区域,而随机变量(X,Y)服从G上的均匀分布,则(X,Y)的联合密度f(x,y)是( )。
A A B B C C D D E E
查看
单选
单选题 设L是从点A(a,0)到点B(0,a)的有向直线段(a>0),则曲线积分的值等于( )。
A A B B C C D D E E
查看
单选
设r(A)表示矩阵A的秩,n元齐次线性方程组Ax=0有非零解时,它的每一个基础解系中所含解向量的个数都等于( )。
A r(A) B r(A)-n C n-r(A) D r(A)+n
查看
单选
设函数,则f(0)=-2是f(x)的( )。
A 极大值,但不是最大值 B 最大值 C 极小值,但不是最小值 D 最小值
查看
刷题小程序
热门试卷
2017年电气工程师《公共基础》真题
2018年电气工程师《公共基础》真题
2019年电气工程师《公共基础》真题
2020年电气工程师《公共基础》真题
2021年电气工程师《公共基础》真题
2022年电气工程师《公共基础》真题
2023年电气工程师《公共基础》真题
2024年电气工程师《公共基础》真题