首页
考研
最新考研题库
中外美术史23新版
建筑类
二级建造师
一级建造师
一级造价工程师
监理工程师
安全工程师
一级消防工程师
消防设施操作员
医学类
主治类
执业药师
护师(初级)资格证考试
主管护师(中级)资格证考试
护士资格证考试
医师类
中药学类
金融类
基金从业资格
银行从业资格
证券从业资格
期货从业资格
银行招聘考试
财会类
初级经济师
中级经济师
初级会计师
中级会计师
注册会计师
税务师
资产评估师
教师类
中学教师笔试
小学教师笔试
幼儿教师笔试
幼儿结构化面试
幼儿专业面试
中小学结构化面试
学历提升
成考(专升本)
成考(高起本、高起专)
自考
网校课程
登录
注册好礼
我的主页
我的提问
我的回答
退出
当前位置:
首页
>
电气工程师公共基础(基础考试)
>
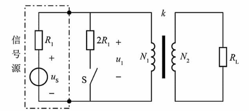
单选题 设图示变压器为理想器件,且 开关S闭合时,信号源的内阻R1与信号源右侧电路的等效电阻相等,那么,开关S断开后,电
单选
单选题 设图示变压器为理想器件,且
开关S闭合时,信号源的内阻R1与信号源右侧电路的等效电阻相等,那么,开关S断开后,电压( )。
A A
B B
C C
D D
E E
正确答案
C
查看解析
搜索
相关试题
单选
函数f(x)在点x=x0处连续是f(x)在点x=x0处可微的( )。
A 充分条件 B 充要条件 C 必要条件 D 无关条件
查看
单选
当x→0时, 的同阶无穷小,则常数k等于( )。
A 3 B 2 C 1 D 1/2
查看
单选
若函数f(x)在[a,b]上连续,在(a,b)内可导,且f(a)=f(b),则在(a,b)内满足f ′(x0)=0的点x0( )。
A 必存在且只有一个 B 至少存在一个 C 不一定存在 D 不存在
查看
单选
A 值为3 B 值为-1 C 值为0 D 不存在
查看
单选
单选题 设y=ln(sinx),则二阶导数y″等于( )。
A A B B C C D D E E
查看
单选
f(x)在(-∞,+∞)内连续,其导数函数f′(x)图形如图所示,则f(x)有( )。
A 一个极小值点和两个极大值点 B 两个极小值点和两个极大值点 C 两个极小值点和一个极大值点 D 一个极小值点和三个极大值点 E
查看
单选
A 值为4/3 B 值为-4/3 C 值为2/3 D 发散
查看
单选
A 通解 B 特解 C 不是解 D 既不是通解又不是特解,而是解
查看
单选
单选题 已知二阶实对称矩阵A的特征值是1,A的对应于特征值1的特征向量为(1,-1)T,若|A|=-1,则A的另一个特征值及其对应的特征向量是( )。
A A B B C C D D E E
查看
单选
刚性双原子分子理想气体的定压摩尔热容量Cp,与其定容摩尔热容量Cv之比,Cp/Cv=( )。
A 5:3 B 3:5 C 7:5 D 5:7
查看
刷题小程序
热门试卷
2017年电气工程师《公共基础》真题
2018年电气工程师《公共基础》真题
2019年电气工程师《公共基础》真题
2020年电气工程师《公共基础》真题
2021年电气工程师《公共基础》真题
2022年电气工程师《公共基础》真题
2023年电气工程师《公共基础》真题
2024年电气工程师《公共基础》真题