首页
考研
最新考研题库
中外美术史23新版
建筑类
二级建造师
一级建造师
一级造价工程师
监理工程师
安全工程师
一级消防工程师
消防设施操作员
医学类
主治类
执业药师
护师(初级)资格证考试
主管护师(中级)资格证考试
护士资格证考试
医师类
中药学类
金融类
基金从业资格
银行从业资格
证券从业资格
期货从业资格
银行招聘考试
财会类
初级经济师
中级经济师
初级会计师
中级会计师
注册会计师
税务师
资产评估师
教师类
中学教师笔试
小学教师笔试
幼儿教师笔试
幼儿结构化面试
幼儿专业面试
中小学结构化面试
学历提升
成考(专升本)
成考(高起本、高起专)
自考
网校课程
登录
注册好礼
我的主页
我的提问
我的回答
退出
当前位置:
首页
>
电气工程师公共基础(基础考试)
>
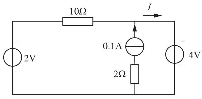
已知电路如图所示,其中,电流I等于( )。
单选
已知电路如图所示,其中,电流I等于( )。
A A、0.1A
B B、0.2A
C C、-0.1A
D D、-0.2A
正确答案
C
查看解析
搜索
相关试题
单选
单选题
A A B B C C D D E E
查看
单选
单选题
A A B B C C D D E E
查看
单选
单选题
A A B B C C D D E E
查看
单选
单选题
A A B B C C D D E E
查看
单选
单选题 一束自然光垂直通过两块叠放在一起的偏振片,若两偏振片的偏振化方向间夹角由α1转到α2,则转动前后透射光强度之比为( )。
A A B B C C D D E E
查看
单选
单选题 若用衍射光栅准确测定一单色可见光的波长,在下列各种光栅常数中,最好选用( )
A A B B C C D D E E
查看
单选
将0.1mol·L-1的将0.1mol·L-1的溶液冲稀一倍,下列叙述正确的是( )。
A A、HOAc的解离度增大 B B、溶液中有关离子浓度增大 C C、HOAc的解离常数增大 D D、溶液的pH值降低 E
查看
单选
A A、增大B的分压 B B、降低反应温度 C C、使用催化剂 D D、减小C的分压 E
查看
单选
单选题 已知拉杆横截面积A=100mm2,弹性模量E=200GPa,横向变形系数μ=0.3,轴向拉力F=20kN,拉杆的横向应变ζ是( )。
A A B B C C D D E E
查看
单选
图示悬臂梁自由端承受集中力偶Me。若梁的长度减少一半,梁的最大挠度是原来的( )。
A A、1/2 B B、1/4 C C、1/8 D D、1/16 E
查看
刷题小程序
热门试卷
2017年电气工程师《公共基础》真题
2018年电气工程师《公共基础》真题
2019年电气工程师《公共基础》真题
2020年电气工程师《公共基础》真题
2021年电气工程师《公共基础》真题
2022年电气工程师《公共基础》真题
2023年电气工程师《公共基础》真题
2024年电气工程师《公共基础》真题