1.

(1)
(2)原计划的工期为:15+95+75+110+90+55=440(d);
新计划的工期为:15+75+110+95+80+55=430(d)。
(3)新计划的关键线路为:①→②→③→④→⑤→⑥→⑦→⑧。
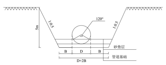
2.(1)沟槽底部的开挖宽度为:0.8+0.5×2=1.8m;
(2)沟槽顶部开挖宽度为:1.8+5×0.5×2=6.8m。

3.A 是铺设砂垫层;B 是严密性试验。
4.(1)对于超挖深度较小的地区,可以用原土回填,碾压密实,压实度不得低于原状土的密实度;
(2)对于超挖深度较大的地区,如超挖深度达到 200mm,可以回填石灰土,碾压密实,压实度不低于原土的密实度。
5.(1)事件 1 不可以进行工期的索赔;沟槽开挖由于施工不当造成 3d 工期损失,是施工单位自身的原因,不能进行工期索赔。
(2)事件 2 可以进行工期的索赔;由于不可抗力造成 F 工作工期损失 6d,E 工作的总时差是 5d,因此可以索赔 1d 工期。
(3)事件 3 不可以进行工期的索赔,由于建设单位未及时向施工单位提供施工图纸,使得桥梁施工(G 工作)比实际开始时间晚了 220d,但是桥梁施工(G 工作)总时差是 270d,不影响总工期,所以不能进行索赔。