单选

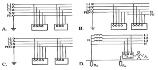
单选题 保护接零系统又叫作TN系统,N表示电气设备在正常情况下不带电的金属部分与配电网中性点之间直接连接。TN系统又分为TN-S、TN-C-S、TN-C三种情况,下列图中表示TN-C-S系统的是( )。

A A
B B
C C
D D
E E

正确答案
B
查看解析

相关试题

单选
保护接零的安全原理是当某相带电部分碰连设备外壳时,形成该相对零线的单相短路,短路电流促使线路上的保护元件迅速动作,从而把故障设备电源断开,消除危险。下列关于保护
A 有爆炸危险、火灾危险性大及其他安全要求高的场所应采用TN-S系统,触电危险小,用电设备简单的场合可采用TN-C系统 B 对于供给手持式电动工具、移动式电气设备的线路或插座回路在380V低压系统中,迅速切断电源的反应时间不超过0.2s C TN系统能够将漏电设备上的故障电压降低到安全范围,故障回路仍保证设备正常供电 D 保护接零一般不能将漏电设备上的故障电压降低到安全范围以内,但可以迅速切断电源
查看
单选
绝缘是用绝缘物把带电体封闭起来,绝缘材料包括固体绝缘材料、液体绝缘材料和气体绝缘材料,绝缘材料有多项性能指标,受到电气、高温、潮湿、机械、化学、生物等因素的作用
A 绝缘材料的热性能包括绝缘电阻、耐压强度、泄漏电流和介质损耗 B 材料恰好能保持燃烧状态所需要的最高氧浓度用氧指数表示,故在不考虑材料成本的前提下,氧指数越高耐热性能越好 C 气体绝缘击穿是由碰撞电离导致的电击穿,气体击穿后将失去其原有性能 D 耐弧性能是指接触电弧表面抗碳化的能力,无机绝缘材料的耐弧性能优于有机绝缘材料的耐弧性能
查看
单选
电气照明按安装部位可分为一般照明、局部照明和混合照明等;按应用功能分为一般照明、应急照明和备用照明。选择合理的照明方式,对改善照明质量、提高经济效益和节约能源等
A 在特别潮湿场所、高温场所、有导电灰尘或有导电地面的场所,对于容易触及而又无防触电措施的固定式灯具应强制使用安全电压供电 B 应急照明的电源,应区别于正常照明的电源并根据需要选择切换装置,保障故障状态下的持续供电 C 灯饰所用材料应选择氧指数小于21%的难燃性材料 D 爆炸危险性的库房内装设的碘钨灯、卤钨灯应选用防爆型灯具,其防爆型式及防爆结构应满足爆炸危险环境的使用要求
查看
单选
锅炉结渣是指灰渣在高温下黏结于受热面、炉墙、炉排之上并越积越多的现象。结渣会使受热面吸热能力减弱,降低锅炉的的出力和效率。下列措施中能预防结渣的是( )。
A 控制炉膛出口温度,使之不超过灰渣变形温度 B 降低煤的灰渣熔点 C 提高炉膛温度,使煤粉燃烧后的细灰呈飞腾状态 D 加大水冷壁间距
查看
单选
锅炉蒸发表面(水面)汽水共同升起,产生大量泡沫并上下波动翻腾的现象叫做汽水共腾。汽水共腾会使蒸汽带水,降低蒸汽品质,造成过热器结垢,损坏过热器或影响用汽设备的安
A 加大燃烧力度 B 开大主蒸汽管道阀门 C 加强蒸汽管道和过热器的疏水 D 全开连续排污阀,关闭定期排污阀
查看
单选
起重机典型的事故以重物失落事故为首,指的是起重作业中,吊载、吊具等重物从空中坠落所造成的人身伤亡和设备毁坏的事故。下列预防吊钩断裂事故的应对措施中,正确的包括(
A 吊装前检查吊钩的护钩装置 B 起吊埋置物前进行试吊,防止钩口变形引起开口过大 C 定期对吊钩进行无损检测,防止吊钩材质缺陷、疲劳断裂 D 室外进行的吊装作业,碰到6级级以上强风天气必须暂停作业
查看
单选
锅炉启动是设备从冷态到热态的过程,启动过程中锅炉烟风系统和水汽系统的安全尤为最要,关于锅炉启动过程中安全要求的说法,错误的是( )。
A 锅筒上水时,水温与锅筒筒壁温差控制不应超65℃ B 锅炉在点火前对于设有风机的锅炉,炉膛应强制通风5~10min C 锅炉升温过程中,水冷壁两侧膨胀指示器偏差较大时,应停止升温进行检查 D 锅炉在点火升温期,省煤器再循环阀门应处于开启状态
查看
单选
气瓶充装作业安全是气瓶使用安全的重要环节之一。下列气瓶充装安全要求中,错误的是( )。
A 充装液化气体应严格控制充装量,气瓶充装后于20℃环境下复测气瓶压力,不超过气瓶的公称工作压力即为合格 B 充装高(低)压液化气体禁止无称重直接充装,并设有超装警报或者自动切断气源的联锁装置 C 充装溶解乙炔前,按照有关标准规定测定溶剂补加量并补加溶剂,充装过程瓶壁温度不得超过40℃,一般分两次充装,中间间隔时间不少于8h D 气体充装装置,必须能够保证防止可燃气体与助燃气体或者不相容气体的错装,无法保证时应先进行抽空再进行充装
查看
单选
场(厂)内机动车辆的液压系统中,如果超载或者油缸到达终点油路仍未切断,以及油路堵塞引起压力突然升高,会造成液压系统损坏。因此,液压系统中必须设置( )。
A 安全阀 B 切断阀 C 止回阀 D 调节阀
查看
单选
电动叉车的安全检查分为每日检查、每月检查和年度检查。下列电动叉车检查项目中,属于每日检查的项目是( )。
A 货叉、离合器、制动器 B 制动器、紧急报警器、离合器 C 货叉、制动器、紧急报警器 D 货叉、操控控制装置、离合器
查看
刷题小程序
安全生产技术基础题库小程序