首页
考研
最新考研题库
中外美术史23新版
建筑类
二级建造师
一级建造师
一级造价工程师
监理工程师
安全工程师
一级消防工程师
消防设施操作员
医学类
主治类
执业药师
护师(初级)资格证考试
主管护师(中级)资格证考试
护士资格证考试
医师类
中药学类
金融类
基金从业资格
银行从业资格
证券从业资格
期货从业资格
银行招聘考试
财会类
初级经济师
中级经济师
初级会计师
中级会计师
注册会计师
税务师
资产评估师
教师类
中学教师笔试
小学教师笔试
幼儿教师笔试
幼儿结构化面试
幼儿专业面试
中小学结构化面试
学历提升
成考(专升本)
成考(高起本、高起专)
自考
网校课程
登录
注册好礼
我的主页
我的提问
我的回答
退出
当前位置:
首页
>
安全生产技术基础
>
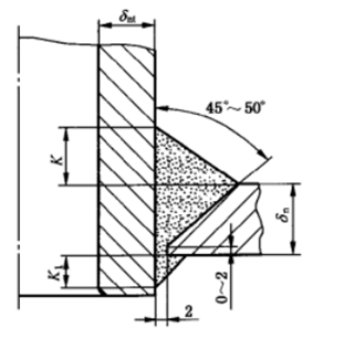
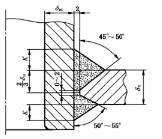
为预防压力容器在使用过程中发生爆炸或泄漏事故,在设计中采用全焊适结果是措施之一。根据《压力容器第3部分:设计》(GB/T
单选
为预防压力容器在使用过程中发生爆炸或泄漏事故,在设计中采用全焊适结果是措施之一。根据《压力容器第3部分:设计》(GB/T 150.3),下列压力容器接管与壳体连接型式的设计图中,不属于全焊透结构的是( )。
A 图一
B 图二
C 图三
D 图四
正确答案
A
查看解析
搜索
相关试题
单选
安全防护措施员是指从人的安全需求出发,采用特定的技术手段防止或限制各种危险的安全措施,包含的防护装置,保护装置及其他补充措施,其中防护装置有固定式,运动式,联锁
A 固定式防护装置位置固定,不能打开或拆除 B 联锁式防护装置的开闭状态与防护对象的危险状态相联锁 C 活动式防护装置与机器的构架相连接,使用工具才能打开 D 栅栏式防护装置用于防护传输距离不大的传动装置
查看
单选
挤压和剪切是金属切割机床可能存在的机械伤害,引起此类伤害的主要危险因素是往复直线运动或往复摆动的零部件,关于金属切割机存在挤压和剪切伤害的说法,错误的是( )。
A 刀具与刀座之间存在挤压 B 刀具与刀座之间存在剪切 C 主轴箱与立柱之间存在剪切 D 工作台与立柱之间存在挤压
查看
单选
某公司对正在使用的一批砂轮机进行安全检查。 下列检查结果中,符合安全要素的是( )
A 一台一般用途砂轮机,砂轮直径为150mm, 砂轮卡盘直径为45mm B 一台切断用砂轮机,砂轮直径为400mm, 砂轮卡盘直径为120mm C 一台一般用途砂轮机的卡盘结构均匀平衡,面存在尖棱锐边 D 一台切断用砂轮机的卡盘与砂轮侧面的非接触部分的间隙为1.2mm
查看
单选
机械设备运动部分是最危险的部位,尤其是那些操作人员易接触的零部件,下列针对不同机械设备转动部位的危险所采取的安全防护措施中,正确的是( )。
A 针对轧钢机,在验式机轴处采用钳型防护罩防护 B 针对辊式输送机,在驱动轴上游安装防护罩防护 C 针对啮合齿轮,齿轮转动机构采用半封闭防护 D 针对手持式砂轮机,在磨削区采用局部防护
查看
单选
为保证客运索道运行安全,考虑车厢定员,运行速度,索道类别等关键因素,客运索道应设有相应的安全防护装置,对车厢定员大于15人、运行速度大于3m/s的双线往复式客运
A 阻车器 B 抱索器 C 减摆器 D 缓冲器
查看
单选
某厂使用乙酸乙醇、乙酸正丁酯,丙酮、溶剂*等原料进行油漆生产,采取了的防火防爆安全措施,下列防火防爆措施中,不属于控制点火源措施的是( )
A 采用防爆照明灯具 B 使用铜制维修工具 C 使用密封管道运输送易燃液体 D 采用白*砂浆车间地面
查看
单选
针对锅炉压力容器等特种设备的焊缝缺陷,需要无损探伤检测方式为焊缝进行检测,包括射线检测,超声波检测,磁粉检测,渗透检测,声发射检测,磁记忆检测等。下列无损检测方
A 渗透检测 B 声发射检测 C 超声波检测 D 射线检测
查看
单选
起重机械作为涉及生命安全,危险性较大的特种设备之一,其生产、检验和使用受到国家有关部门的监管,关于起重机械使用安全管理的说法,正确的是( )
A 露天作业的起重机械经受7级以上风力后,重新使用前应做安全检查 B 钢丝绳滑轮组有无损伤,是否应报废,属于每日检查的内容 C 液压系统及其部件的泄露情况及工作性能,属于每日检查的内容 D 安全装置、制动器、操纵控制装置属于每日检查的内容
查看
单选
某单位的内燃叉车高压油管老化,维修人员购置了油管进行了更换,叉车在作业时,油管突然破裂,货物随即掉落,造成货物损坏,经调查,更换高压油管时压强度不符合要求,根据
A 1.5倍 B 2.0倍 C 3.0倍 D 2.5倍
查看
单选
根据《民用爆炸物品品名表》(国防科工委、公安部公告2006年第1版)民用爆炸物品分为工业炸药,工业雷管,工业索类火工品,其他民用爆炸物品,原材料等五类,下列民用
A 硝化甘油炸药 B 工业黑索金(RDX) C 黑火药 D 引火线
查看
刷题小程序
热门试卷
2021年中级注册安全工程师考试《安全生产技术基础》真题及答案(完整版)
2020年中级注册安全工程师考试《安全生产技术基础》真题及答案
2019年中级注册安全工程师考试《安全生产技术基础》真题及答案
2018年中级注册安全工程师考试《安全生产技术基础》不完整版真题及答案
2017年中级注册安全工程师考试《安全生产技术基础》真题及答案
2022年中级注册安全工程师考试《安全生产技术基础》真题
2023年中级注册安全工程师《安全生产技术》真题估分卷
2024年中级注册安全工程师考试《安全生产技术基础》真题