分析

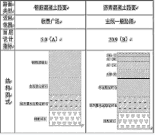
案例题 某快速路路面工程,采用工程量清单方式招标,甲公司中标并与发包人签订了施工承包合同。其主线一般路段及收费广场路面结构设计方案如下表所示。

备注:1.沥青路面的上、中面层均采用改性沥青。
2.沥青路面面层之间应洒布乳化沥青作为 C,在水泥稳定碎石基层上将乳化沥青作为 D,之后应设置封层。
合同约定当工程量增加超出清单工程量 25%时,双方可以协商调整超出 25%部分的单价,其中甲公司路基部分路基挖方的清单工程量为 60000.000 m3,单价为 15 元/m3
施工中发生如下事件:
事件一:由于设计变更,路基挖土方实际完成工程量为 90000m3,双方协商调整单价为 14 元/m3。
事件二:施工单位在底基层施工前完成了底基层水泥稳定碎石的配合比等标准试验工作,并
将试验报告及试验材料提交监理工程师中心试验室审批。监理工程师中心实验室对该试验报告的计算过程符合无误后,批复同意施工单位按标准试验的参数进行底基层的施工。
【问题】
1.按组成结构分,本项目上面层、中面层分别属于哪一类沥青路面结构?
2.写出表中括号内 A、B 对应的面层设计指标的单位。写出功能层 C、D 的名称,并说明设置封层的作用。
3.事件一中,路基挖方的总价为多少元?(计算结果保留整数)
4.监理工程师中心实验室对底基层水泥稳定碎石配合比审批的做法是否正确?说明理由。

正确答案
1.SMA-13 是骨架-密实结构;AC-20C 是悬浮-密实结构。
2.A:MPa(或兆帕),B:1/100mm。
C:粘层,D:透层。
封层的作用有:
(1)封闭某一层,起保水防水作用;
(2)基层和上一层的过渡和有效连接作用;
(3)对基层的加固补强;
(4)在沥青面层铺筑前,要临时开放交通,防止基层因天气和车辆作用出现水毁。
3.路基挖方按原单价结算的工程量:60000×(1+25%)=75000m
3;
路基挖方按新单价结算的工程量:90000-75000=15000m
3;
路基挖方总价:75000m
3×15 元/m
3+15000m
3×14 元/m
3=1335000 元。
4.监理工程师的做法不正确。因为未进行复核(对比)试验即批复。
查看解析

相关试题

单选
土体应力应变中决定土的力学性质的是土的( )。
A 含水量 B 抗剪强度 C 密实状态 D 塑性指数
查看
单选
下列沥青混合料机械摊铺作业说法正确的是()。
A 摊铺机应采用人工找平方式 B 施工中应随时检查铺筑层厚度、路拱及横坡 C 摊铺的混合料,人工在反复修整时要注意平整度 D 最低摊铺温度根据气温和下卧层表面温度的平均值来确定 ?
查看
单选
路面的( ),可以缩短汽车的制动距离,降低发生交通安全事故的频率。
A 平整度好 B 承载能力大 C 抗滑能力强 D 透水性好
查看
单选
关于预应力钢铰线管道压浆的说法,错误的是( )。
A A.压浆前应对管道进行清理 B B.预埋的排水孔,排气孔主要用于管道清理使用 C C.压浆使用的水泥浆强度不得低于 30MPa D D.钢铰线张拉完成后应及时对管道进行压浆
查看
单选
符合预应力混凝土配制要求的是( )。
A 从各种材料引入混凝土中的氯离子最大含量不宜超过水泥用量的 0.08% B 预应力混凝土宜使用矿渣硅酸盐水泥 C 混凝土中的水泥用量不宜大于 750kg/m3 D 混凝土中严禁使用含氯化物的外加剂及引气剂或引气型减水剂
查看
单选
泥浆制备根据施工机械、工艺及穿越土层情况进行配合比设计,宜选用高塑性黏土或( )。
A A.粉质黏土 B B.膨润土 C C.粉土 D D.低塑性黏土
查看
单选
竖井马头门破除施工工序有:①预埋暗梁、②破除拱部、③破除侧墙、④拱部地层加固、⑤破除底板,正确的顺序为( )。
A ①→②→③→④→⑤ B ①→④→②→③→⑤ C ①→④→③→②→⑤ D ①→②→④→③→⑤
查看
单选
下列有关基坑边坡稳定的控制措施,说法错误的是()。
A 严格按照设计坡度开挖,不得挖反坡 B 减少坡顶位置材料堆放的数量,减轻坡顶位置压力 C 地下工程施工期间应严密监测坡顶位移 D 边坡若有失稳征兆,应及时采取削坡、坡顶卸荷或其他有效措施
查看
单选
地下连续墙的施工工序不包括( )。
A A.导墙施工 B B.槽底清淤 C C.吊放钢筋笼 D D.拔出型钢
查看
单选
城市污水二级处理主要去除污水中呈胶体和溶解状态的有机污染物质,通常采用的方法是( )。
A 化学氧化法 B 微生物处理法 C 紫外光氧化法 D 活性炭吸附法
查看
刷题小程序
市政公用工程管理与实务题库小程序