分析

案例题 某商用写字楼工程项目,建筑面积32000m2,地下1 层,地上8 层,主体采用装配式混凝土结构,外立面采用全玻幕墙装饰。经过招投标,某施工单位中标,并与建设单位签订了施工总承包合同。
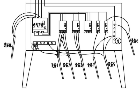
屋面施工时,要求基层和保护层按照分项工程抽检合格后进入下一步工序,屋面总面积为560 ㎡,随机检查3 处均为合格。找坡层施工采用轻骨料混凝土,找平层按照间距8m 留设纵横分格缝,隔汽层卷材采用空铺法施工,卷材之间搭接宽度为50mm,且搭接缝满粘铺贴。施工中,现场检查人员发现部分卷材出现无规则裂缝,项目经理要求查找原因并采取相应整改措施。施工过程中项目经理组织进行安全联合检查,以临时施工用电为专项,监理单位派出用电方面专家,在检查到一处施工用三级配电箱时(即分配电箱的一种),发现用电设备1—6 有“私拉乱接”的问题,(如图-A 所示),同时还指出消防水泵接线存在不妥。
本工程采用斜拉式的悬挑式操作平台(如图-B 所示)。操作平台的拉结点与建筑结构可靠连接,平台两侧分别设有两道钢丝绳连接,每道钢丝绳均能承受该侧所有荷载。
图-A 设备接线示意图

图-B 悬挑式操作平台侧面图

室内装修工程完工后,项目部协同监理单位立即组织室内环境质量验收工作,主要检测的污染物包括甲醛、TVOC、氡等。该写字楼共有75 个房间,每间房间面积为120 ㎡。抽检房间经检测后,其中有3 间污染物浓度含量不符合相关要求。项目部遂组织人员查找原因,并及时采取相应措施进行整改,整改后对原不合格房间进行复查,检测结果为合格,但现场监理人员认为检查过程不符合规定,要求项目部重新进行检测。重新检测后,其中一间房间的污染物浓度结果为:氡:140Bq/m3、甲醛:0.04mg/m3、TVOC:0.2mg/m3。
施工完成后,施工人员进行拆除脚手架工作,施工人员将双排脚手架连墙件整层拆除后开始拆除脚手架。
结果发生了脚手架坍塌事故。造成了2 人死亡,5 人重伤,8 人轻伤,间接经济损失6000 多万元。
问题:
1.屋面工程施工要求有哪些不妥之处?并说明理由。试分析卷材出现无规则裂缝的原因有哪些?
2.图-A 中接线方面有哪些不妥之处?说明理由。消防水泵接线为何不妥?写出正确做法。
3.分别写出图-B 中操作平台悬挑长度及倾斜、夹角α、吊环连接处的设置要求。
4.写出室内污染物验收抽检量和检测点布置的要求。监理人员的做法是否正确?并说明理由。重新检测后,根据污染物的含量判断该房间室内环境是否合格?
5.生产安全事故有哪几个等级?本事故属于哪个等级?

正确答案
1.(1)不妥1:屋面总面积为560 ㎡,随机检查3 处均为合格。
理由:基层与保护层各分项工程每个检验批的抽检数量,应按屋面面积每100 ㎡抽查一处,每处应为10 ㎡,且不得少于3 处。
不妥2:找平层按照间距8m 留设纵横分格缝。
理由:找平层分格缝纵横间距不宜大于6m。
不妥3:隔汽层卷材采用空铺法施工,卷材之间搭接宽度为50mm。
理由:搭接宽度不应小于80mm。
(2)产生无规则裂缝的原因是:屋面板变形,找平层开裂;基层温度收缩变形;卷材质量低劣,老化脆裂。
2.(1)不妥1:设备3 设备4 设备6 没有接PE 线,
理由:因为用电设备需要接保护零线,PE 线就是中性点接地的保护零线。
不妥2:设备1 和设备2 接在一个漏电保护器上(写开关也算正确)
理由:需要一机一漏,一个漏电保护器只能接一个设备
(3)设备4 和设备5 的N 线接在了一个压线端点上,
理由:端子板上的一个压线点不宜接两根线
(4)设备6 接在了漏电保护器上端进线处
理由:应该接在出线口,才能受到漏电保护器的控制,保护安全。
3.(1)悬挑式操作平台的悬挑长度不宜大于5m,平台的外侧应略高于内侧。
(2)钢丝绳与水平钢梁夹角a 不得小于45°。
(3)悬挑式操作平台应设置4 个吊环,吊运时应使用卡环,不得直接使吊钩直接钩挂吊环。吊环应按通用吊环或起重吊环设计,并应满足强度要求。
4.(1)75 间房间,至少需要抽检4 间房间。每间房间面积为120 ㎡,需至少布置3 个检测点,检测点应距房间地面高度0.8~1.5m, 距房间内墙面不应小于0.5m。检测点按对角线、斜线、梅花状均匀分布,且应避开通风道和通风口。
(2)监理人员做法正确。
理由:对不合格项进行再次检测时,抽检量应增加1 倍,并应包含同类型房间及原不合格房间。
(3)写字楼为II 类建筑,室内污染物限量为:氡≤150Bp/m3,甲醛≤0.08mg/m3,TVOC≤0.5mg/m3。该房间的检测结果均小于规定的限量,故检测结果为合格。
5.(1)生产安全事故分为:特别重大事故、重大事故、较大事故、一般事故。
(2)本事故属于一般事故。
查看解析

相关试题

单选
关于专业分包合同中总承包商合同义务,说法错误的是( )。
A 向分包人提供根据总包合同由发包人办理的与分包工程相关的各种证件等 B 已竣工工程未交付总承包商之前,总承包商应负责已完分包工程的成品保护工作 C 随时为分包人提供确保分包工程的施工所要求的施工场地和通道等 D 协调分包人与同一施工场地的其他分包人之间的交叉配合
查看
单选
建设单位申请领取施工许可证应具备的条件中,建设资金已落实是指( )。
A 出具上级财政主管部门的建设资金申请批复文件 B 建设单位提供建设资金已经落实承诺书 C 施工单位已提交银行出具的履约保函 D 施工单位的履约保证金已提交
查看
单选
室内非埋地明敷主干线距地面高度不得小于( )。
A 1.50m B 2.00m C 2.50m D 3.00m
查看
单选
建筑工程施工现场检测试验管理程序的第一步应是( )。
A 制定检测计划 B 试验报告处理 C 登记台账 D 报告处理
查看
单选
关于基坑围护墙或基坑边坡顶部的水平和竖向位移监测,说法错误的是( )。
A 每边监测点不宜少于3 个 B 水平和垂直监测点宜共用同一点 C 周边中部、阳角处应布点 D 监测点水平间距20~60m
查看
单选
采光设计时,减少窗的不舒适眩光可采取的措施是( )。
A 作业区减少直射光 B 工作人员的视觉背景宜为窗口 C 采用室内外无遮挡设施 D 窗周围的内墙面采用深色饰面
查看
单选
关于普通混凝土的说法,正确的是( )。
A 坍落度或坍落扩展度越大,流动性越小 B 稠度值越大,流动性越小 C 砂率是影响混凝土和易性的最主要因素 D 砂率是指混凝土中砂的质量占砂、石总体积的百分率
查看
单选
关于混凝土结构构件的最小截面的说法,正确的是( )。
A A.矩形截面框架柱的边长不应小于 200mm B B.矩形截面框架梁的截面宽度不应小于 300mm C C.圆形截面柱直径不应小于 350mm D D.多层建筑剪力墙的截面厚度不应小于 160mm
查看
单选
二级资质的施工总承包企业不可承担( )建筑工程的施工。
A 单跨跨度40m 的建筑工程 B 高度80m 的民用建筑工程 C 高度100m 的构筑物工程 D 建筑面积4 万㎡以下的民用建筑工程
查看
单选
有关配电箱布置与开关箱的设置,下列说法错误的是( )。
A 配电系统应采用配电柜或总配电箱、分配电箱、开关箱三级配电方式 B 用同一个开关箱直接控制两台及以上用电设备 C 固定式配电箱、开关箱的中心点与地面的垂直距离应为1.4~1.6m D 分配电箱与开关箱的距离不得超过30m
查看
刷题小程序
建筑工程管理与实务题库小程序