首页
考研
最新考研题库
中外美术史23新版
建筑类
二级建造师
一级建造师
一级造价工程师
监理工程师
安全工程师
一级消防工程师
消防设施操作员
医学类
主治类
执业药师
护师(初级)资格证考试
主管护师(中级)资格证考试
护士资格证考试
医师类
中药学类
金融类
基金从业资格
银行从业资格
证券从业资格
期货从业资格
银行招聘考试
财会类
初级经济师
中级经济师
初级会计师
中级会计师
注册会计师
税务师
资产评估师
教师类
中学教师笔试
小学教师笔试
幼儿教师笔试
幼儿结构化面试
幼儿专业面试
中小学结构化面试
学历提升
成考(专升本)
成考(高起本、高起专)
自考
网校课程
登录
注册好礼
我的主页
我的提问
我的回答
退出
当前位置:
首页
>
建设工程项目管理
>
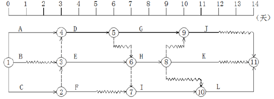
某项目分部工程双代号时标网络计划如下图,关于该网络计划的说法,正确的有()。
多选
某项目分部工程双代号时标网络计划如下图,关于该网络计划的说法,正确的有()。
A 有两条关键线路
B 工作H的总时差为2天
C 工作A E I L是关键工作
D 工作D的总时差为1天
E 工作G的总时差与自由时差相等
正确答案
BD
查看解析
搜索
相关试题
单选
根据《风险管理指南》的规定,风险管理的目的是()。
A 进度安排与分析 B 成本计划与控制 C 领导作用与承诺 D 创造和保护价值
查看
单选
根据《标准施工招标文件》的规定,关于工程隐蔽部位检查的说法,错误的是()。
A 监理人检查确认质量不合格的,承包人应在监理人指示的时间内修整返工后,由监理人重新检查 B 监理人对质量有疑问的,可要求承包人揭开重新检验,经检验证明符合合同要求的,发包人只承担由此增加的费用 C 承包人私自将工程隐蔽部位覆盖的,监理人有权指示承包人揭开检查,检查发现合格,由此增加的费用由承包人承担 D 经监理人检查确认质量符合隐蔽要求,并在检查记录上签字后,承包人才能进行覆盖
查看
单选
某建设工程施工合同约定的开工日期为 3 月 1 日,发包人于 3 月 10 日向承包人发出开工通知,开工通知载明的开工日期为 3 月 20 日,接到开工通知后,
A 3 月 1 日 B 3 月 10 日 C 3 月 30 日 D 3 月 20 日
查看
单选
实施性成本计划是在项目施工准备阶段,采用( )编制的施工成本计划。
A 估算指标 B 概算定额 C 施工定额 D 预算定额
查看
单选
下列关于常见的危险源辨识与评价方法的说法,正确的是( )。
A 事故树法是用逻辑图表达事件之间逻辑关系的分析方法 B LEC评价法根据事故概率、触发条件和后果评价作业风险 C 事故树法主要应用于任务活动开始之前进行的危险源识别 D LEC评价法是危险源辨识与评价的定性分析方法
查看
单选
下列成本偏差表达方式中,适用于较高管理层应用的是()。
A 横道图法 B 表格法 C 曲线法 D 时间-成本累积曲线法
查看
单选
施工成本分析的主要工作有:①收集成本信息;②选择成本分析方法;③分析成本形成原因;④进行成本数据处理;⑤确定成本结果。正确的步骤是( )。
A ①-②-④-⑤-③ B ②-①-④-③-⑤ C ②-③-①-⑤-④ D ①-③-②-④-⑤
查看
单选
建设单位组织编制项目绿色策划方案,应在工程( )阶段进行。
A 项目评估 B 项目立项 C 施工准备 D 可行性研究
查看
单选
根据能量意外释放理论,以下属于第一类伤害的是( )。
A 溺水 B 一氧化碳中毒 C 割伤 D 冻伤
查看
单选
某产品质量检验采用计数型二次抽样检验方案,已知:N=2000,n1=100,n2=400,C1=2,C2=8;经二次抽样检得:D1=3,D2=4,则正常的结论是
A 经第一次抽样检验即可判定该批产品质量合格 B 经第一次抽样检验即可判定该批产品质量不合格 C 经第二次抽样检验即可判定该批产品质量合格 D 经第二次抽样检验即可判定该批产品质量不合格
查看
刷题小程序
热门试卷
《建设工程项目管理》模考1
《建设工程项目管理》模考2
《建设工程项目管理》模考3
《建设工程项目管理》模考4
《建设工程项目管理》模考5
《建设工程项目管理》考试1
《建设工程项目管理》考试2
《建设工程项目管理》考试3
《建设工程项目管理》考试4
一级建造师考试《建设工程项目管理》模拟题库1
一级建造师考试《建设工程项目管理》模拟题库2
一级建造师考试《建设工程项目管理》模拟题库3
一级建造师考试《建设工程项目管理》模拟题库4
一级建造师《建设工程项目管理》押题密卷1
一级建造师《建设工程项目管理》押题密卷2