首页
考研
最新考研题库
中外美术史23新版
建筑类
二级建造师
一级建造师
一级造价工程师
监理工程师
安全工程师
一级消防工程师
消防设施操作员
医学类
主治类
执业药师
护师(初级)资格证考试
主管护师(中级)资格证考试
护士资格证考试
医师类
中药学类
金融类
基金从业资格
银行从业资格
证券从业资格
期货从业资格
银行招聘考试
财会类
初级经济师
中级经济师
初级会计师
中级会计师
注册会计师
税务师
资产评估师
教师类
中学教师笔试
小学教师笔试
幼儿教师笔试
幼儿结构化面试
幼儿专业面试
中小学结构化面试
学历提升
成考(专升本)
成考(高起本、高起专)
自考
网校课程
登录
注册好礼
我的主页
我的提问
我的回答
退出
当前位置:
首页
>
建设工程项目管理
>
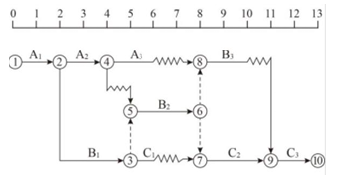
某双代号时标网络计划如下图(时间单位:天),工作A3的最迟开始时间是第()天。
单选
某双代号时标网络计划如下图(时间单位:天),工作A3的最迟开始时间是第()天。
A 8
B 5
C 6
D 7
正确答案
D
查看解析
搜索
相关试题
单选
除国家对采用高新技术成果有特别规定外,以工业产权、非专利技术作价出资的比例不得超过投资项目资本金总额的( )。
A 10% B 15% C 20% D 50%
查看
单选
根据《政府投资条例》,对于经济社会发展、社会公众利益有重大影响或投资规模较大的政府投资项目,政府投资主管部门在审批前必须完成的法定程序是()。
A 可行性研究报告审批、公众参与、专家评议、风险评估 B 中介服务机构评估、环境影响评价、专家评议、风险评估 C 中介服务机构评估、公众参与、专家评议、风险评估 D 项目建议书审批、公众参与、专家评议、风险评估
查看
单选
在工程施工中,总监理工程师应及时签发工程暂停令的情形有( )。
A 设计单位要求暂停 B 施工单位未经批准擅自施工 C 施工单位施工方法不当存在安全隐患 D 施工单位违反工程建设一般性标准的
查看
单选
下列关于政府投资项目审批制的说法,正确的是( )。
A 政府投资项目不包括改建和技术改造项目 B 政府投资项目审批时,可行性研究报告不需要审批 C 对于所有政府投资项目,均需审批开工报告 D 政府采用投资补助方式的项目,主要审批资金申请报告
查看
单选
建设工程项目管理核心内容的是()。
A 投资管理制度和资本金制度 B 投资管理制度和实施程序 C 工程项目管理组织和目标控制 D 实施程序和动态控制
查看
单选
根据固定资产投资项目资本金制度,作为计算资本金基数的总投资是指投资项目( )之和。
A 固定资产和铺底流动资金 B 建安工程费和设备购置费 C 建筑工程费和安装工程费 D 建筑工程费和工程建设其他费
查看
单选
工程开工前,申请办理工程质量监督手续的质量责任主体是( )。
A 建设单位 B 施工单位 C 监理单位 D 设计单位
查看
单选
根据《国务院关于投资体制改革的决定》,对于企业不使用政府投资建设的项目,实行的投资管理制度是( )。
A 审批制或核准制 B 核准制或登记备案制 C 审批制或承诺制 D 承诺制或登记备案制
查看
单选
根据《国务院关于投资体制改革的决定》,实行备案制的项目是( )。
A 政府直接投资的项目 B 采用资金注入方式的政府投资项目 C 政府核准的投资项目目录外的企业投资项目 D 政府核准的投资项目目录内的企业投资项目
查看
单选
与工程总承包模式相比,设计-招标-建造(DBB)模式的特点是()。
A 设计和施工任务明确,有利于缩短建设工期 B 工程变更少,有利于控制工程总造价 C 设计与施工相结合,建设单位合同管理工作量少 D 责任主体较多,建设单位协调工作量大
查看
刷题小程序
热门试卷
《建设工程项目管理》模考1
《建设工程项目管理》模考2
《建设工程项目管理》模考3
《建设工程项目管理》模考4
《建设工程项目管理》模考5
《建设工程项目管理》考试1
《建设工程项目管理》考试2
《建设工程项目管理》考试3
《建设工程项目管理》考试4
一级建造师考试《建设工程项目管理》模拟题库1
一级建造师考试《建设工程项目管理》模拟题库2
一级建造师考试《建设工程项目管理》模拟题库3
一级建造师考试《建设工程项目管理》模拟题库4
一级建造师《建设工程项目管理》押题密卷1
一级建造师《建设工程项目管理》押题密卷2