首页
考研
最新考研题库
中外美术史23新版
建筑类
二级建造师
一级建造师
一级造价工程师
监理工程师
安全工程师
一级消防工程师
消防设施操作员
医学类
主治类
执业药师
护师(初级)资格证考试
主管护师(中级)资格证考试
护士资格证考试
医师类
中药学类
金融类
基金从业资格
银行从业资格
证券从业资格
期货从业资格
银行招聘考试
财会类
初级经济师
中级经济师
初级会计师
中级会计师
注册会计师
税务师
资产评估师
教师类
中学教师笔试
小学教师笔试
幼儿教师笔试
幼儿结构化面试
幼儿专业面试
中小学结构化面试
学历提升
成考(专升本)
成考(高起本、高起专)
自考
网校课程
登录
注册好礼
我的主页
我的提问
我的回答
退出
当前位置:
首页
>
中级质量专业综合知识
>
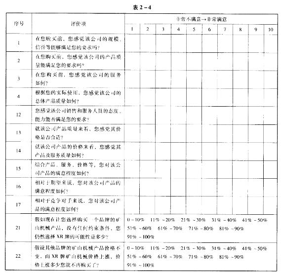
不定项选择题 ZH机械制造总厂聘请第三方咨询机构对其生产的XR牌机械产品进行全国满意度调查, 此次顾客满意度专项调查由品
单选
不定项选择题 ZH机械制造总厂聘请第三方咨询机构对其生产的XR牌机械产品进行全国满意度调查, 此次顾客满意度专项调查由品牌形象、预期质量、感知质量、感知价值、顾客满意、顾客忠 诚等六个结构变量构成测评模型。其调查问卷部分问题如表2-4所示。[2006年真题]
你认为问卷中的第21和第22评价项是评价( )结构变量的。
A.价格敏感度 B.顾客抱怨
C.顾客满意 D.顾客忠诚
A A
B B
C C
D D
E E
正确答案
D
查看解析
搜索
相关试题
刷题小程序
热门试卷