首页
考研
最新考研题库
中外美术史23新版
建筑类
二级建造师
一级建造师
一级造价工程师
监理工程师
安全工程师
一级消防工程师
消防设施操作员
医学类
主治类
执业药师
护师(初级)资格证考试
主管护师(中级)资格证考试
护士资格证考试
医师类
中药学类
金融类
基金从业资格
银行从业资格
证券从业资格
期货从业资格
银行招聘考试
财会类
初级经济师
中级经济师
初级会计师
中级会计师
注册会计师
税务师
资产评估师
教师类
中学教师笔试
小学教师笔试
幼儿教师笔试
幼儿结构化面试
幼儿专业面试
中小学结构化面试
学历提升
成考(专升本)
成考(高起本、高起专)
自考
网校课程
登录
注册好礼
我的主页
我的提问
我的回答
退出
当前位置:
首页
>
(结构) 专业考试二级
>
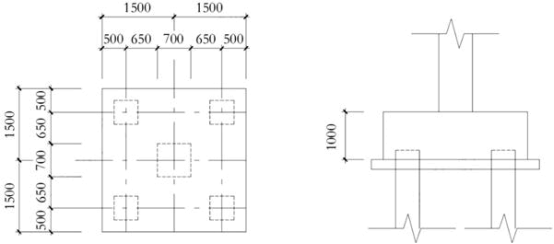
某钢筋混凝土框架结构办公楼,采用钢筋混凝土预制方桩基础。某框架柱下四桩基础如题图所示。框架柱截面700mm×700mm,
单选
某钢筋混凝土框架结构办公楼,采用钢筋混凝土预制方桩基础。某框架柱下四桩基础如题图所示。框架柱截面700mm×700mm,桩截面500mm×500mm,承台截面有效高度h0=920mm,桩混凝土的强度等级为C60,承台混凝土的强度等级为C30(ft=1.43N/mm2),钢筋采用HRB400,结构安全等级二级,不考虑地震设计状况,承台及其上土的加权平均重度为20kN/m3。
提示:按《建筑桩基技术规范》(JGJ 94—2008)作答。
试问,在柱轴心竖向力作用下,承台受柱冲切的承载力设计值,与下列何项数值最为接近?( )
A 4000kN
B 5000kN
C 6000kN
D 7000kN
正确答案
D
查看解析
搜索
相关试题
单选
高层建筑钢筋混凝土框架-剪力墙结构的最大适用高度,应根据在规定的水平力作用下结构底层框架部分承受的倾覆力矩与结构总倾覆力矩的比值确定。试问,下列何项与《高层建筑
A I B Ⅱ C Ⅲ D I、Ⅱ、Ⅲ
查看
单选
关于单桩竖向抗拔载荷试验,有下列说法: I.试验的成桩工艺和质量控制应严格遵守有关规定,试验前应对试验桩进行低应变检测; Ⅱ.当采用工程桩做试验时,不必满足最大
B 1 C 2 D 3
查看
单选
关于高层建筑钢筋混凝土结构抗震设计,当地下一层顶板作为上部结构的嵌固部位时,下列何项与《高层建筑混凝土结构技术规程》(JGJ 3—2010)的规定不符?( )
A 地下一层顶楼盖应采用梁板结构,楼板厚不宜小于180mm B 地下一层与首层的侧向刚度比不宜小于2 C 与上部剪力墙墙肢端部边缘构件对应的地下一层剪力墙墙肢端部边缘构件的纵向钢筋面积,不应小于地上一层对应的剪力墙墙肢边缘构件纵向钢筋截面面积 D 地下一层顶梁端部顶面和底面的纵向钢筋不应小于计算值的1.3倍
查看
单选
关于重力式永久挡土墙,下列何项观点与《建筑地基基础设计规范》(GB 50007—2011)的规定不一致?( )
A 重力式挡土墙适用于高度小于8m,地层稳定、开挖土石方时不会危及相邻建筑物安全的地段 B 重力式混凝土挡土墙的墙顶宽度不宜小于200mm,重力式毛石挡土墙的墙顶宽度不宜小于400mm C 在土质地基中,重力式挡土墙的基础埋深不宜小于0.5m,在软质岩地基中,重力式挡土墙的基础埋深不宜小于0.30m D 素混凝土重力式挡土墙的伸缩缝间距可取30~40m
查看
单选
某单层厂房,采用预制钢筋混凝土柱,截面尺寸为600mm×900mm,柱基础为高杯口独立基础,如题图所示,假定,基本风压为0.65kPa,吊车起重量为80t,抗震
B 1 C 2 D 3
查看
单选
某多层砌体结构房屋,采用墙下条形基础,基础埋深1.5m,抗震设防烈度7度,地质条件如题图所示,第③层粉砂层的地质年代为第四纪全新世(Q4),设计基准期内年平均最
A 坚硬 B 硬塑 C 可塑 D 软塑
查看
单选
某多层砌体结构房屋,采用墙下条形基础,基础埋深1.5m,抗震设防烈度7度,地质条件如题图所示,第③层粉砂层的地质年代为第四纪全新世(Q4),设计基准期内年平均最
A 120kPa B 130kPa C 140kPa D 150kPa
查看
单选
某多层砌体结构房屋,采用墙下条形基础,基础埋深1.5m,抗震设防烈度7度,地质条件如题图所示,第③层粉砂层的地质年代为第四纪全新世(Q4),设计基准期内年平均最
A 可不考虑液化影响 B 需进一步进行液化判别 C 液化 D 无法判定
查看
单选
某方形高层混凝土结构,房屋高度100m,平面尺寸24m×24m,质量和高度沿高度分布均匀。地质条件较好,采用筏形基础,四周均外挑1m,平面尺寸为26m×26m,
A 4.1m B 4.3m C 4.5m D 4.7m
查看
单选
某钢筋混凝土框架结构办公楼,采用敞口预应力混凝土空心管桩基桩,基桩外径400mm,内径210mm。某基桩基础设计群桩形心与柱截面形心重合,基桩验收时测得桩位整体
A 增加235kN B 减少230kN C 增加120kN D 减少110kN
查看
刷题小程序
热门试卷
2022年(上午)二级注册结构工程师《 专业考试》真题
2022年(下午)二级注册结构工程师《 专业考试》真题
2023年(上午)二级注册结构工程师《 专业考试》真题
2023年(下午)二级注册结构工程师《 专业考试》真题
2024年(上午)二级注册结构工程师《 专业考试》真题
2024年(下午)二级注册结构工程师《 专业考试》真题