首页
考研
最新考研题库
中外美术史23新版
建筑类
二级建造师
一级建造师
一级造价工程师
监理工程师
安全工程师
一级消防工程师
消防设施操作员
医学类
主治类
执业药师
护师(初级)资格证考试
主管护师(中级)资格证考试
护士资格证考试
医师类
中药学类
金融类
基金从业资格
银行从业资格
证券从业资格
期货从业资格
银行招聘考试
财会类
初级经济师
中级经济师
初级会计师
中级会计师
注册会计师
税务师
资产评估师
教师类
中学教师笔试
小学教师笔试
幼儿教师笔试
幼儿结构化面试
幼儿专业面试
中小学结构化面试
学历提升
成考(专升本)
成考(高起本、高起专)
自考
网校课程
登录
注册好礼
我的主页
我的提问
我的回答
退出
当前位置:
首页
>
(结构) 专业考试二级
>
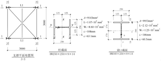
某钢结构管道支架如题图所示,钢梁L1与柱均采用轧制型钢,钢梁L1与柱刚接,钢材采用Q235C,焊条采用E43型,不考虑地
单选
某钢结构管道支架如题图所示,钢梁L1与柱均采用轧制型钢,钢梁L1与柱刚接,钢材采用Q235C,焊条采用E43型,不考虑地震作用,安全等级二级,采用一阶弹性分析法计算内力,按《钢结构设计标准》(GB 50017—2017)作答。
假定,荷载基本组合下,梁L1的最大弯矩设计值为254.5kN·m,截面无削弱,忽略轴力。试问,进行截面强度验算时,梁L1截面最大正应力计算值与下列何项数值最为接近?( )
提示:梁L1截面板件宽厚比等级为S1级。
A 140N/mm2
B 170N/mm2
C 200N/mm2
D 230N/mm2
正确答案
C
查看解析
搜索
相关试题
单选
关于结构荷载,下列何项观点不违反《建筑结构荷载规范》(GB 50009—2012)的规定?( )
A 当进行吊车梁承载力及疲劳计算时,吊车荷载必须乘以动力系数1.10 B 对于所有高层建筑,都必须考虑扭转风振等效风荷载的作用效应 C 对于民用建筑,设计墙、柱构件的基础时,可不考虑满载总重不大于300kN的消防车荷载 D 对基本自振周期T1不大于0.20s的各种高耸建筑均不必考虑风压脉动对结构产生的顺风向风振的影响
查看
单选
某厂房局部屋架及托架如题图所示(图中未示意保证厂房整体稳定的支撑体系),钢材Q355(f=305N/mm2),焊条E50(ft^w=200N/mm2),安全等级
A 80mm B 105mm C 135mm D 160mm
查看
单选
某厂房局部屋架及托架如题图所示(图中未示意保证厂房整体稳定的支撑体系),钢材Q355(f=305N/mm2),焊条E50(ft^w=200N/mm2),安全等级
A 1980mm B 1800mm C 1620mm D 1440mm
查看
单选
某厂房局部屋架及托架如题图所示(图中未示意保证厂房整体稳定的支撑体系),钢材Q355(f=305N/mm2),焊条E50(ft^w=200N/mm2),安全等级
A 0.45 B 0.55 C 0.65 D 0.85
查看
单选
某厂房局部屋架及托架如题图所示(图中未示意保证厂房整体稳定的支撑体系),钢材Q355(f=305N/mm2),焊条E50(ftw=200N/mm2),安全等级为
A 139N/mm2 B 176N/mm2 C 215N/mm2 D 246N/mm2
查看
单选
某多层砌体结构建筑,重点设防类,各层结构平面布置如题图所示,外墙厚370mm,内墙厚240mm,窗洞口尺寸均为1500mm×1800mm(宽×高),除首层入户门
A n=6,H=18m B n=5,H=15m C n=4,H=15m D n=4,H=12m
查看
单选
某多层砌体结构建筑,重点设防类,各层结构平面布置如题图所示,外墙厚370mm,内墙厚240mm,窗洞口尺寸均为1500mm×1800mm(宽×高),除首层入户门
A 15.0<23.0 B 17.5<23.0 C 15.0<26.0 D 17.5<26.0
查看
单选
某多层砌体结构建筑,重点设防类,各层结构平面布置如题图所示,外墙厚370mm,内墙厚240mm,窗洞口尺寸均为1500mm×1800mm(宽×高),除首层入户门
A 90根 B 60根 C 40根 D 120根
查看
单选
某多层砌体结构建筑,重点设防类,各层结构平面布置如题图所示,外墙厚370mm,内墙厚240mm,窗洞口尺寸均为1500mm×1800mm(宽×高),除首层入户门
B 1 C 2 D 3
查看
单选
某钢结构管道支架如题图所示,钢梁L1与柱均采用轧制型钢,钢梁L1与柱刚接,钢材采用Q235C,焊条采用E43型,不考虑地震作用,安全等级二级,采用一阶弹性分析法
A 150 B 200 C 300 D 400
查看
刷题小程序
热门试卷
2022年(上午)二级注册结构工程师《 专业考试》真题
2022年(下午)二级注册结构工程师《 专业考试》真题
2023年(上午)二级注册结构工程师《 专业考试》真题
2023年(下午)二级注册结构工程师《 专业考试》真题
2024年(上午)二级注册结构工程师《 专业考试》真题
2024年(下午)二级注册结构工程师《 专业考试》真题