首页
考研
最新考研题库
中外美术史23新版
建筑类
二级建造师
一级建造师
一级造价工程师
监理工程师
安全工程师
一级消防工程师
消防设施操作员
医学类
主治类
执业药师
护师(初级)资格证考试
主管护师(中级)资格证考试
护士资格证考试
医师类
中药学类
金融类
基金从业资格
银行从业资格
证券从业资格
期货从业资格
银行招聘考试
财会类
初级经济师
中级经济师
初级会计师
中级会计师
注册会计师
税务师
资产评估师
教师类
中学教师笔试
小学教师笔试
幼儿教师笔试
幼儿结构化面试
幼儿专业面试
中小学结构化面试
学历提升
成考(专升本)
成考(高起本、高起专)
自考
网校课程
登录
注册好礼
我的主页
我的提问
我的回答
退出
当前位置:
首页
>
(结构) 专业考试二级
>
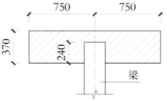
某窗间墙截面尺寸为1500mm×370mm,采用MU10烧结普通砖、M5混合砂浆砌筑,支承于墙上的钢筋混凝土梁截面尺寸b
单选
某窗间墙截面尺寸为1500mm×370mm,采用MU10烧结普通砖、M5混合砂浆砌筑,支承于墙上的钢筋混凝土梁截面尺寸b×h=300mm×600mm,如图所示。施工质量控制等级为B级,结构安全等级为二级。试问,砌体局部抗压强度提高系数γ,与下列何项数值最为接近?( )
提示:不考虑砌体强度调整系数γα。
A 1.2
B 1.5
C 1.8
D 2.0
正确答案
C
查看解析
搜索
相关试题
单选
吊杆与上部钢梁的连接节点如下图所示,基本组合下的最大轴心拉力N=2130kN,销轴直径d=150mm,耳板销轴孔径d0=151mm,Q345钢材。不考虑地震作用
A 32 B 42 C 52 D 62
查看
单选
吊杆与上部钢梁的连接节点如下图所示,基本组合下的最大轴心拉力N=2130kN,销轴直径d=150mm,耳板销轴孔径d0=151mm,Q345钢材。不考虑地震作用
A 130 B 110 C 90 D 70
查看
单选
关于木结构有以下观点: Ⅰ.在无针对性措施的前提下,现场用原木、方木制作承重构件时,木材的含水率不应大于25%。 Ⅱ.当采用现场目测分级时,受拉或拉弯方木构件的
A Ⅰ一致,其余不一致 B Ⅱ一致,其余不一致 C Ⅲ一致,其余不一致 D Ⅳ一致,其余不一致
查看
单选
某单层钢结构厂房,层面梁间距11m,在轴柱跨设置托梁,屋面梁叠接于托梁跨中顶面。托梁采用焊接H形截面,Q235钢,其两端支座处已采取防止梁端截面扭转的构造措施,
A 20mm B 30mm C 40mm D 50mm
查看
单选
某单层钢结构厂房,层面梁间距11m,在轴柱跨设置托梁,屋面梁叠接于托梁跨中顶面。托梁采用焊接H形截面,Q235钢,其两端支座处已采取防止梁端截面扭转的构造措施,
A 100N/mm2 B 115N/mm2 C 125N/mm2 D 135N/mm2
查看
单选
某单层钢结构厂房,层面梁间距11m,在轴柱跨设置托梁,屋面梁叠接于托梁跨中顶面。托梁采用焊接H形截面,Q235钢,其两端支座处已采取防止梁端截面扭转的构造措施,
A 1.51 B 1.00 C 0.94 D 0.88
查看
单选
某多层教学楼采用现浇钢筋混凝土框架结构,局部平面图如图所示,该建筑的使用功能为教室。假定,梁、板的混凝土强度等级为C30,钢筋采用HRB400,楼板厚度为100
A 0.5 B 0.7 C 0.9 D 1.1
查看
单选
单选题 某多层教学楼采用现浇钢筋混凝土框架结构,局部平面图如图所示,该建筑的使用功能为教室。假定,梁、板的混凝土强度等级为C30,钢筋采用HRB400,楼板厚度
A A B B C C D D E E
查看
单选
某多层教学楼采用现浇钢筋混凝土框架结构,局部平面图如图所示,该建筑的使用功能为教室。假定,梁、板的混凝土强度等级为C30,钢筋采用HRB400,楼板厚度为100
A 25.0kN/m,6.7kN/m B 28.0kN/m,5.5kN/m C 28.0kN/m,6.7kN/m D 30.0kN/m,5.5kN/m
查看
单选
某多层教学楼采用现浇钢筋混凝土框架结构,局部平面图如图所示,该建筑的使用功能为教室。假定,梁、板的混凝土强度等级为C30,钢筋采用HRB400,楼板厚度为100
A 565mm2,565mm2 B 325mm2,325mm2 C 565mm2,325mm2 D 325mm2,565mm2
查看
刷题小程序
热门试卷
2022年(上午)二级注册结构工程师《 专业考试》真题
2022年(下午)二级注册结构工程师《 专业考试》真题
2023年(上午)二级注册结构工程师《 专业考试》真题
2023年(下午)二级注册结构工程师《 专业考试》真题
2024年(上午)二级注册结构工程师《 专业考试》真题
2024年(下午)二级注册结构工程师《 专业考试》真题