首页
考研
最新考研题库
中外美术史23新版
建筑类
二级建造师
一级建造师
一级造价工程师
监理工程师
安全工程师
一级消防工程师
消防设施操作员
医学类
主治类
执业药师
护师(初级)资格证考试
主管护师(中级)资格证考试
护士资格证考试
医师类
中药学类
金融类
基金从业资格
银行从业资格
证券从业资格
期货从业资格
银行招聘考试
财会类
初级经济师
中级经济师
初级会计师
中级会计师
注册会计师
税务师
资产评估师
教师类
中学教师笔试
小学教师笔试
幼儿教师笔试
幼儿结构化面试
幼儿专业面试
中小学结构化面试
学历提升
成考(专升本)
成考(高起本、高起专)
自考
网校课程
登录
注册好礼
我的主页
我的提问
我的回答
退出
当前位置:
首页
>
(结构) 专业考试二级
>
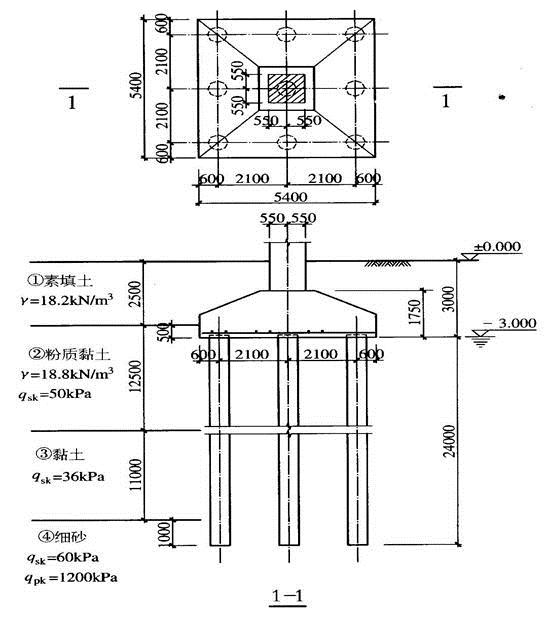
某建筑物设计使用年限为50年,地基基础设计等级为乙级,柱下桩基础采用九根泥浆护壁钻孔灌注桩,桩直径d=600mm,为提高
单选
某建筑物设计使用年限为50年,地基基础设计等级为乙级,柱下桩基础采用九根泥浆护壁钻孔灌注桩,桩直径d=600mm,为提高桩的承载力及减少沉降,灌注桩采用桩端后注浆工艺,且施工满足《建筑桩基技术规范》(JGJ 94—2008)的相关规定。框架柱截面尺寸为1100mm×1100mm,承台及其以上土的加权平均重度γ0=20kN/m3。承台平面尺寸、柱位布置、地基土层分布及岩土参数等如图所示。桩基的环境类别为二a,建筑所在地对桩基混凝土耐久性无可靠工程经验。[2012年真题]
5.假定,在桩基沉降计算时,已求得沉降计算深度范围内土体压缩模量的当量E1=MPa。试问,根据《建筑桩基技术规范》(JGJ 94—2008)的规定,桩基沉降经验系数Ψ与下列何项数值最为接近?( )
A A、0.48
B B、0.53
C C、0.75
D D、0.85
正确答案
B
查看解析
搜索
相关试题
刷题小程序
热门试卷