首页
考研
最新考研题库
中外美术史23新版
建筑类
二级建造师
一级建造师
一级造价工程师
监理工程师
安全工程师
一级消防工程师
消防设施操作员
医学类
主治类
执业药师
护师(初级)资格证考试
主管护师(中级)资格证考试
护士资格证考试
医师类
中药学类
金融类
基金从业资格
银行从业资格
证券从业资格
期货从业资格
银行招聘考试
财会类
初级经济师
中级经济师
初级会计师
中级会计师
注册会计师
税务师
资产评估师
教师类
中学教师笔试
小学教师笔试
幼儿教师笔试
幼儿结构化面试
幼儿专业面试
中小学结构化面试
学历提升
成考(专升本)
成考(高起本、高起专)
自考
网校课程
登录
注册好礼
我的主页
我的提问
我的回答
退出
当前位置:
首页
>
(结构) 专业考试二级
>
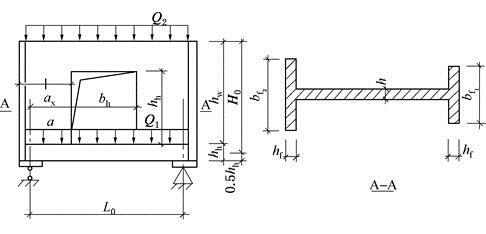
承重墙梁,各部分尺寸见图及表,托梁混凝土强度等级为C20,纵向受力钢筋采用HRB335,砖强度为MU10,水泥砂浆强度等
单选
承重墙梁,各部分尺寸见图及表,托梁混凝土强度等级为C20,纵向受力钢筋采用HRB335,砖强度为MU10,水泥砂浆强度等级采用M5,荷载设计值Q1=23.8kN/m,Q2=116kN/m。
1.已知墙梁的计算跨度L0=6.05m,墙体计算高度hw=2.85m,则该构件可以按墙梁计算的洞口高度hh和宽度bh的限制值最接近于( )。
A bh<1.550m;hh<2.375m
B bh<1.750m;hh<2.375m
C bh<1.750m;hh<2.450m
D bh<1.815m;hh<2.450m
正确答案
D
查看解析
搜索
相关试题
刷题小程序
热门试卷