首页
考研
最新考研题库
中外美术史23新版
建筑类
二级建造师
一级建造师
一级造价工程师
监理工程师
安全工程师
一级消防工程师
消防设施操作员
医学类
主治类
执业药师
护师(初级)资格证考试
主管护师(中级)资格证考试
护士资格证考试
医师类
中药学类
金融类
基金从业资格
银行从业资格
证券从业资格
期货从业资格
银行招聘考试
财会类
初级经济师
中级经济师
初级会计师
中级会计师
注册会计师
税务师
资产评估师
教师类
中学教师笔试
小学教师笔试
幼儿教师笔试
幼儿结构化面试
幼儿专业面试
中小学结构化面试
学历提升
成考(专升本)
成考(高起本、高起专)
自考
网校课程
登录
注册好礼
我的主页
我的提问
我的回答
退出
当前位置:
首页
>
(结构) 专业考试二级
>
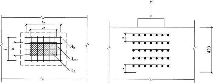
某混凝土构件局部受压情况如图所示,局部受压范围无孔洞、凹槽,并忽略边距的影响,混凝土强度等级为C25,安全等级为二级。[
单选
某混凝土构件局部受压情况如图所示,局部受压范围无孔洞、凹槽,并忽略边距的影响,混凝土强度等级为C25,安全等级为二级。[2013年真题]
假定,局部受压面积a×b=400mm×250mm,局部受压计算底面积Ab=675000mm2,局部受压区配置焊接钢筋网片l2×l1=600mm×400mm,其中心与F1重合,钢筋直径为6(HPB300),钢筋网片单层钢筋n1=7(沿l1方向)及n2=5(沿l2方向),间距s=70mm。试问,局部受压承载力设计值(kN)应与下列何项数值最为接近?( )
A A、3500
B B、4200
C C、4800
D D、5300
正确答案
A
查看解析
搜索
相关试题
刷题小程序
热门试卷