首页
考研
最新考研题库
中外美术史23新版
建筑类
二级建造师
一级建造师
一级造价工程师
监理工程师
安全工程师
一级消防工程师
消防设施操作员
医学类
主治类
执业药师
护师(初级)资格证考试
主管护师(中级)资格证考试
护士资格证考试
医师类
中药学类
金融类
基金从业资格
银行从业资格
证券从业资格
期货从业资格
银行招聘考试
财会类
初级经济师
中级经济师
初级会计师
中级会计师
注册会计师
税务师
资产评估师
教师类
中学教师笔试
小学教师笔试
幼儿教师笔试
幼儿结构化面试
幼儿专业面试
中小学结构化面试
学历提升
成考(专升本)
成考(高起本、高起专)
自考
网校课程
登录
注册好礼
我的主页
我的提问
我的回答
退出
当前位置:
首页
>
(结构) 专业考试二级
>
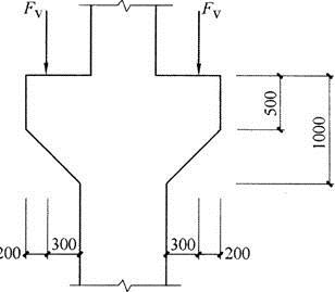
某单层等高等跨厂房,排架结构图所示,安全等级为二级。厂房长度为66m,排架间距B=6m,两端山墙,采用砖围护墙及钢屋架,
单选
某单层等高等跨厂房,排架结构图所示,安全等级为二级。厂房长度为66m,排架间距B=6m,两端山墙,采用砖围护墙及钢屋架,屋面支撑系统完整。柱及牛腿混凝土强度等级为C30,纵筋采用HRB400。[2013年真题]
假定,柱B牛腿如图2-8所示,牛腿顶部的竖向力设计值Fv=450kN,牛腿截面有效高度h0=950mm,宽度b=400mm,牛腿的截面尺寸满足裂缝控制要求。试问,牛腿纵向受拉钢筋截面面积As(mm2),与下列何项数值最为接近?( )
A A、500
B B、600
C C、800
D D、1000
正确答案
C
查看解析
搜索
相关试题
刷题小程序
热门试卷