首页
考研
最新考研题库
中外美术史23新版
建筑类
二级建造师
一级建造师
一级造价工程师
监理工程师
安全工程师
一级消防工程师
消防设施操作员
医学类
主治类
执业药师
护师(初级)资格证考试
主管护师(中级)资格证考试
护士资格证考试
医师类
中药学类
金融类
基金从业资格
银行从业资格
证券从业资格
期货从业资格
银行招聘考试
财会类
初级经济师
中级经济师
初级会计师
中级会计师
注册会计师
税务师
资产评估师
教师类
中学教师笔试
小学教师笔试
幼儿教师笔试
幼儿结构化面试
幼儿专业面试
中小学结构化面试
学历提升
成考(专升本)
成考(高起本、高起专)
自考
网校课程
登录
注册好礼
我的主页
我的提问
我的回答
退出
当前位置:
首页
>
(结构) 专业考试一级
>
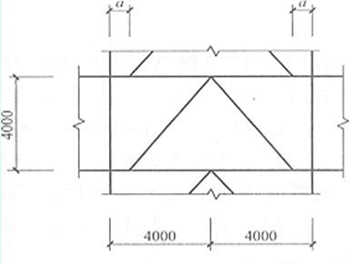
某40m高层钢框架结构办公楼(无库房),剖面如图所示,各层层高4m,钢框架梁采用H500×250×12×16(全塑性截面
单选
某40m高层钢框架结构办公楼(无库房),剖面如图所示,各层层高4m,钢框架梁采用H500×250×12×16(全塑性截面模量Wp=2.6×10^6mm^3,A=13808mm^2),钢材采用Q345,抗震设防烈度为7度(0.10g),设计地震分组第一组,建筑场地类别为Ⅲ类,安全等级二级。
提示:按《高层民用建筑钢结构技术规程》(JGJ 99—2015)作答。
为改善结构抗震性能,在框架结构中布置偏心支撑,偏心支撑布置如图所示。假定,消能梁段轴力设计值N=100kN,剪力设计值V=450kN。试问,消能梁段净长a的最大值(m),与下列何项数值最为接近?( )
提示:消能梁段塑性净截面模量Wnp=Wp。
A 0.8
B 1.1
C 1.3
D 1.5
正确答案
B
查看解析
搜索
相关试题
刷题小程序
热门试卷