首页
考研
最新考研题库
中外美术史23新版
建筑类
二级建造师
一级建造师
一级造价工程师
监理工程师
安全工程师
一级消防工程师
消防设施操作员
医学类
主治类
执业药师
护师(初级)资格证考试
主管护师(中级)资格证考试
护士资格证考试
医师类
中药学类
金融类
基金从业资格
银行从业资格
证券从业资格
期货从业资格
银行招聘考试
财会类
初级经济师
中级经济师
初级会计师
中级会计师
注册会计师
税务师
资产评估师
教师类
中学教师笔试
小学教师笔试
幼儿教师笔试
幼儿结构化面试
幼儿专业面试
中小学结构化面试
学历提升
成考(专升本)
成考(高起本、高起专)
自考
网校课程
登录
注册好礼
我的主页
我的提问
我的回答
退出
当前位置:
首页
>
(结构) 专业考试一级
>
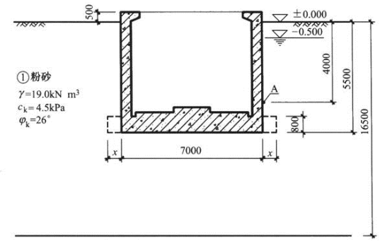
某安全等级为二级的长条形坑式设备基础,高出地面500mm,设备荷载对基础没有偏心,基础的外轮廓及地基土层剖面、地基土参数
单选
某安全等级为二级的长条形坑式设备基础,高出地面500mm,设备荷载对基础没有偏心,基础的外轮廓及地基土层剖面、地基土参数如图所示,地下水位在自然地面下0.5m。
提示:基础施工时基坑用原状土回填,回填土重度、强度指标与原状土相同。
已知基础的自重为280kN/m,基础上设备自重为60kN/m,设备检修活荷载为35kN/m。当基础的抗浮稳定性不满足要求时,本工程拟采取对称外挑基础底板的抗浮措施。假定,基础底板外挑板厚度取800mm,抗浮验算时钢筋混凝土的重度取23kN/m^3,设备自重可作为压重,抗浮水位取地面下0.5m。试问,为了保证基础抗浮的稳定安全系数不小于1.05,图中虚线所示的底板外挑最小长度x(mm),与下列何项数值最为接近?( )
B 250
C 500
D 800
正确答案
B
查看解析
搜索
相关试题
刷题小程序
热门试卷