首页
考研
最新考研题库
中外美术史23新版
建筑类
二级建造师
一级建造师
一级造价工程师
监理工程师
安全工程师
一级消防工程师
消防设施操作员
医学类
主治类
执业药师
护师(初级)资格证考试
主管护师(中级)资格证考试
护士资格证考试
医师类
中药学类
金融类
基金从业资格
银行从业资格
证券从业资格
期货从业资格
银行招聘考试
财会类
初级经济师
中级经济师
初级会计师
中级会计师
注册会计师
税务师
资产评估师
教师类
中学教师笔试
小学教师笔试
幼儿教师笔试
幼儿结构化面试
幼儿专业面试
中小学结构化面试
学历提升
成考(专升本)
成考(高起本、高起专)
自考
网校课程
登录
注册好礼
我的主页
我的提问
我的回答
退出
当前位置:
首页
>
(结构) 专业考试一级
>
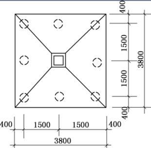
如图所示,某丙级建筑物有一柱下桩基础,采用8根沉管灌注桩,已知桩身设计直径d=377mm,桩身有效计算长度l=13.6m
单选
如图所示,某丙级建筑物有一柱下桩基础,采用8根沉管灌注桩,已知桩身设计直径d=377mm,桩身有效计算长度l=13.6m,桩中心距1.5m。作用于承台顶面的荷载有竖向力设计值F,弯矩设计值M和水平剪力设计值V。承台埋深1.5m,承台中间厚度为1.0m,其平面尺寸为见图。柱截面尺寸400mm×400mm。
假定F=3550kN,M=0,V=0时,复合基桩桩顶的反力设计值N=500kN,桩基承台和承台上土自重设计值G=450kN。现要求根据《建筑桩基技术规范》(JGJ 94—2008)的规定计算承台的弯矩,其弯矩设计值M最接近于( )kN·m。
A 1731
B 1744
C 1950
D 1997
正确答案
A
查看解析
搜索
相关试题
刷题小程序
热门试卷