首页
考研
最新考研题库
中外美术史23新版
建筑类
二级建造师
一级建造师
一级造价工程师
监理工程师
安全工程师
一级消防工程师
消防设施操作员
医学类
主治类
执业药师
护师(初级)资格证考试
主管护师(中级)资格证考试
护士资格证考试
医师类
中药学类
金融类
基金从业资格
银行从业资格
证券从业资格
期货从业资格
银行招聘考试
财会类
初级经济师
中级经济师
初级会计师
中级会计师
注册会计师
税务师
资产评估师
教师类
中学教师笔试
小学教师笔试
幼儿教师笔试
幼儿结构化面试
幼儿专业面试
中小学结构化面试
学历提升
成考(专升本)
成考(高起本、高起专)
自考
网校课程
登录
注册好礼
我的主页
我的提问
我的回答
退出
当前位置:
首页
>
(结构) 专业考试一级
>
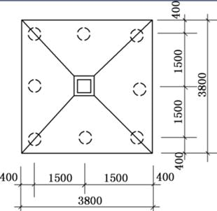
如图所示,某丙级建筑物有一柱下桩基础,采用8根沉管灌注桩,已知桩身设计直径d=377mm,桩身有效计算长度l=13.6m
单选
如图所示,某丙级建筑物有一柱下桩基础,采用8根沉管灌注桩,已知桩身设计直径d=377mm,桩身有效计算长度l=13.6m,桩中心距1.5m。作用于承台顶面的荷载有竖向力设计值F,弯矩设计值M和水平剪力设计值V。承台埋深1.5m,承台中间厚度为1.0m,其平面尺寸为见图。柱截面尺寸400mm×400mm。
某建筑物抗震设防烈度为7度,已知地下水位位于地表面以下3.5m处。在正常状态时,粉质黏土、粉土和黏性土的单桩极限侧阻力标准值qsik分别为42kPa、25kPa和50kPa;黏性土的单桩极限端阻力标准值qpk为1550kPa。饱和粉土的标准贯入锤击数实测值N63.5为6,液化判别标准贯入锤击数临界值Ncr为8。假定黏性土效应系数ηs=0.9、ηp=1.35,粉土效应系数ηs=1.1。试确定该基桩的竖向承载力特征值R最接近于( )kN。
A 288
B 383
C 436
D 459
正确答案
A
查看解析
搜索
相关试题
刷题小程序
热门试卷