首页
考研
最新考研题库
中外美术史23新版
建筑类
二级建造师
一级建造师
一级造价工程师
监理工程师
安全工程师
一级消防工程师
消防设施操作员
医学类
主治类
执业药师
护师(初级)资格证考试
主管护师(中级)资格证考试
护士资格证考试
医师类
中药学类
金融类
基金从业资格
银行从业资格
证券从业资格
期货从业资格
银行招聘考试
财会类
初级经济师
中级经济师
初级会计师
中级会计师
注册会计师
税务师
资产评估师
教师类
中学教师笔试
小学教师笔试
幼儿教师笔试
幼儿结构化面试
幼儿专业面试
中小学结构化面试
学历提升
成考(专升本)
成考(高起本、高起专)
自考
网校课程
登录
注册好礼
我的主页
我的提问
我的回答
退出
当前位置:
首页
>
(结构) 专业考试一级
>
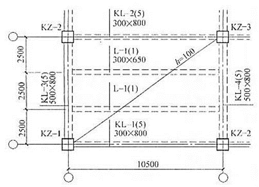
某办公楼为现浇混凝土框架结构,混凝土强度等级C35,纵向钢筋采用HRB400,箍筋采用HPB300。其二层(中间楼层)的
单选
某办公楼为现浇混凝土框架结构,混凝土强度等级C35,纵向钢筋采用HRB400,箍筋采用HPB300。其二层(中间楼层)的局部平面图和次梁L-1的计算简图如图所示,其中KZ-1为角柱,KZ-2为边柱。假定,次梁L-1计算时as=80mm,as′=40mm。楼面永久荷载和楼面活荷载为均布荷载,楼面均布永久荷载标准值qGk=7kN/m^2(已包括次梁、楼板等构件自重,L-1荷载计算时不必再考虑梁自重),楼面均布活荷载的组合值系数0.7,不考虑楼面活荷载的折减系数。
(a)局部平面图
(b)L-1计算简图图
假定,不考虑楼板作为翼缘对梁的影响,充分考虑L-1梁顶面受压钢筋3
25的作用,试问,按次梁L-1的受弯承载力计算,楼面允许最大活荷载标准值(kN/m^2),与下列何项数值最为接近?( )
A 26
B 21.5
C 17.0
D 12.5
正确答案
D
查看解析
搜索
相关试题
刷题小程序
热门试卷