首页
考研
最新考研题库
中外美术史23新版
建筑类
二级建造师
一级建造师
一级造价工程师
监理工程师
安全工程师
一级消防工程师
消防设施操作员
医学类
主治类
执业药师
护师(初级)资格证考试
主管护师(中级)资格证考试
护士资格证考试
医师类
中药学类
金融类
基金从业资格
银行从业资格
证券从业资格
期货从业资格
银行招聘考试
财会类
初级经济师
中级经济师
初级会计师
中级会计师
注册会计师
税务师
资产评估师
教师类
中学教师笔试
小学教师笔试
幼儿教师笔试
幼儿结构化面试
幼儿专业面试
中小学结构化面试
学历提升
成考(专升本)
成考(高起本、高起专)
自考
网校课程
登录
注册好礼
我的主页
我的提问
我的回答
退出
当前位置:
首页
>
(结构) 专业考试一级
>
某现浇钢筋混凝土异形柱框架结构多层住宅楼,安全等级为二级,框架抗震等级为二级。该房屋各层层高均为3.6m,各层梁高均为4
单选
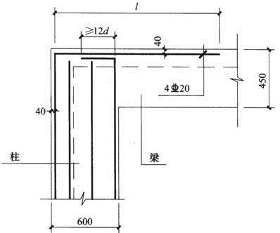
某现浇钢筋混凝土异形柱框架结构多层住宅楼,安全等级为二级,框架抗震等级为二级。该房屋各层层高均为3.6m,各层梁高均为450mm,建筑面层厚度为50mm,首层地面标高为±0.000m,基础顶面标高为-1.000m。框架某边柱截面如图所示,剪跨比λ>2。混凝土强度等级:框架柱为C35,框架梁、楼板为C30,梁、柱纵向钢筋及箍筋均采用HRB400(
),纵向受力钢筋的保护层厚度为30mm。
假定,该异形柱框架顶层端节点如图所示,计算时按刚接考虑,柱外侧按计算配置的受拉钢筋为4
20。试问,柱外侧纵向受拉钢筋伸入梁内或板内的水平段长度l(mm),取以下何项数值才能满足《混凝土异形柱结构技术规程》(JGJ 149—2017)的最低要求?( )
A 700
B 900
C 1100
D 1300
正确答案
D
查看解析
搜索
相关试题
刷题小程序
热门试卷