首页
考研
最新考研题库
中外美术史23新版
建筑类
二级建造师
一级建造师
一级造价工程师
监理工程师
安全工程师
一级消防工程师
消防设施操作员
医学类
主治类
执业药师
护师(初级)资格证考试
主管护师(中级)资格证考试
护士资格证考试
医师类
中药学类
金融类
基金从业资格
银行从业资格
证券从业资格
期货从业资格
银行招聘考试
财会类
初级经济师
中级经济师
初级会计师
中级会计师
注册会计师
税务师
资产评估师
教师类
中学教师笔试
小学教师笔试
幼儿教师笔试
幼儿结构化面试
幼儿专业面试
中小学结构化面试
学历提升
成考(专升本)
成考(高起本、高起专)
自考
网校课程
登录
注册好礼
我的主页
我的提问
我的回答
退出
当前位置:
首页
>
(结构) 专业考试一级
>
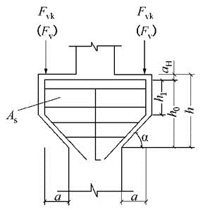
已知支承吊车梁的柱牛腿,如图所示,宽度b=500mm,竖向力作用点至下柱边缘的水平距离a=50mm(已考虑安全偏差20m
单选
已知支承吊车梁的柱牛腿,如图所示,宽度b=500mm,竖向力作用点至下柱边缘的水平距离a=50mm(已考虑安全偏差20mm),牛腿底面倾斜角α=45°,作用在牛腿顶部的按荷载效应标准组合计算的竖向力Fvk=715kN,竖向力的设计值Fv=915kN,吊车梁的肋宽为250mm。混凝土强度等级选用C30,纵向受拉钢筋选用HRB400钢筋,水平箍筋为HPB300钢筋,外边缘高度h1=h/2(h为牛腿高度)。
若截面的有效高度h0=710mm,除竖向力外,作用在牛腿顶部的水平力设计值Fh=110kN,则纵向受拉钢筋的截面面积最接近于( )mm^2。
A 1426
B 1264
C 1524
D 1629
正确答案
B
查看解析
搜索
相关试题
刷题小程序
热门试卷