首页
考研
最新考研题库
中外美术史23新版
建筑类
二级建造师
一级建造师
一级造价工程师
监理工程师
安全工程师
一级消防工程师
消防设施操作员
医学类
主治类
执业药师
护师(初级)资格证考试
主管护师(中级)资格证考试
护士资格证考试
医师类
中药学类
金融类
基金从业资格
银行从业资格
证券从业资格
期货从业资格
银行招聘考试
财会类
初级经济师
中级经济师
初级会计师
中级会计师
注册会计师
税务师
资产评估师
教师类
中学教师笔试
小学教师笔试
幼儿教师笔试
幼儿结构化面试
幼儿专业面试
中小学结构化面试
学历提升
成考(专升本)
成考(高起本、高起专)
自考
网校课程
登录
注册好礼
我的主页
我的提问
我的回答
退出
当前位置:
首页
>
(结构) 专业考试一级
>
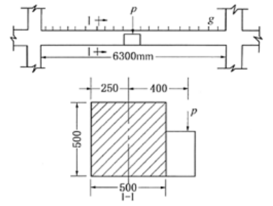
不定项选择题 某钢筋混凝土矩形截面梁,截面尺寸为500mm×500mm,计算跨度l0为6.3m,跨中有一短挑梁(见图),
单选
不定项选择题 某钢筋混凝土矩形截面梁,截面尺寸为500mm×500mm,计算跨度l0为6.3m,跨中有一短挑梁(见图),挑梁上作用有距梁轴线400mm的集中荷载P=250kN,梁上的均布荷载设计值(包括自重)g=9kN/m,混凝土为C25,纵筋采用HRB400钢筋,箍筋采用 HRB335钢筋。截面有效高度h0=465mm。
考虑梁的支座为固定端,则跨中纵向钢筋的最小配筋率最接近于( )。
A .0.20%
B .0.29%
C .0.39%
D .0.42%
正确答案
C
查看解析
搜索
相关试题
单选
不定项选择题 某钢筋混凝土五跨连续梁,其计算简图及B支座配筋如图2-1所示:混凝土强度等级为C30,ft=1.43N/mm2,ftk=2.01N/mm2,Ec=
A 9.79×10^13 B 9.27×10^13 C 1.31×10^14 D 1.15×10^14
查看
单选
不定项选择题 某钢筋混凝土五跨连续梁,其计算简图及B支座配筋如图2-1所示:混凝土强度等级为C30,ft=1.43N/mm2,ftk=2.01N/mm2,Ec=
A 20.5 B 22.6 C 30.4 D 34.2
查看
单选
不定项选择题 如图所示,由预埋板和对称于力作用线配置的弯折锚筋与直锚筋共同承受剪力的预埋件,已知承受的剪力V=225kN,直锚筋直径d= 14mm,共4根,弯折
A 685 B 602 C 566 D 453
查看
单选
不定项选择题 如图所示,由预埋板和对称于力作用线配置的弯折锚筋与直锚筋共同承受剪力的预埋件,已知承受的剪力V=225kN,直锚筋直径d= 14mm,共4根,弯折
A 529 B 552 C 566 D 648
查看
单选
不定项选择题 若纵向受拉钢筋采用绑扎搭接接头,接头方式如图所示,则纵向受力钢筋最小搭接长度ll(mm)与下列( )项数值最为接近。
A 650 B 780 C 910 D 1050
查看
单选
不定项选择题
A 650 B 740 C 770 D 880
查看
单选
不定项选择题 某宿舍的内廓为现浇简支在砖墙上的钢筋混凝土平板(图),板厚 h=80mm,as=20mm,板上作用的均布活荷载标准值为qk=2kN/m2。水磨石地
A 2260 B 2300 C 2340 D 2500
查看
单选
不定项选择题 某宿舍的内廓为现浇简支在砖墙上的钢筋混凝土平板(图),板厚 h=80mm,as=20mm,板上作用的均布活荷载标准值为qk=2kN/m2。水磨石地
A 3.613kN/m;2.80kN/m B 3.437kN/m;2.80kN/m C 3.056kN/m;2.46kN/m D 2.864kN/m;2.00kN/m
查看
单选
不定项选择题 某宿舍的内廓为现浇简支在砖墙上的钢筋混凝土平板(图),板厚 h=80mm,as=20mm,板上作用的均布活荷载标准值为qk=2kN/m2。水磨石地
A 4.0 B 4.172 C 4.27 D 4.6
查看
单选
不定项选择题 某宿舍的内廓为现浇简支在砖墙上的钢筋混凝土平板(图),板厚 h=80mm,as=20mm,板上作用的均布活荷载标准值为qk=2kN/m2。水磨石地
A 8.4;357 B 7.1;286 C 6.3;176 D 6.3;357
查看
刷题小程序
热门试卷
一级注册结构工程师《 专业考试》模拟卷1
一级注册结构工程师《 专业考试》模拟卷2
一级注册结构工程师《 专业考试》模拟卷3
一级注册结构工程师《 专业考试》模拟卷4
一级注册结构工程师《 专业考试》模拟卷5
一级注册结构工程师《 专业考试》预测卷1
一级注册结构工程师《 专业考试》预测卷2
一级注册结构工程师《 专业考试》预测卷3
一级注册结构工程师《 专业考试》预测卷4