单选

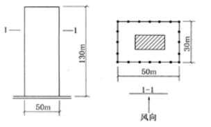
在某大城市市中心有一特重要的钢筋混凝土框架一核心筒结



A 1.3
B 1.5
C 1.7
D 1.8

正确答案
D
查看解析

相关试题

单选
一幢高60m、按6度抗震设防、位于Ⅳ类场地的钢筋混凝土框架一剪力墙结构,在基本振型地震作用下,框架部分承受的地震倾覆力矩大于结构总地震倾覆力矩的50%。在进行结
A 因6度抗震设防,可允许不进行截面的抗震验算,仅需对框架和剪力墙分别按四级和三级抗震等级考虑抗震构造措施 B 应进行截面的抗震验算,并同时对框架按四级、剪力墙按三级抗震等级考虑抗震构造措施 C 应进行截面的抗震验算,并同时对框架按三级、剪力墙按二级抗震等级考虑抗震构造措施 D 应进行截面的抗震验算,并同时对框架和剪力墙均按二级抗震等级考虑抗震构造措施
查看
单选
某具有高层装配整体楼面的框架一剪力墙结构,抗震设防烈度8度,楼面横向宽度18m,在布置横向剪力墙时,下列间距符合规定的是( )。
A 30m B 40m C 45m D 54m
查看
单选
一幢五层的商店建筑,其抗震设防烈度为8度(0.2g),场地类别为Ⅲ类,设计地震分组为第一组。该建筑采用钢结构,结构基本自振周期T1=0.4s,阻尼比ζ=0.03
A 0.20 B 0.18 C 0.16 D 0.15
查看
单选
某高层钢结构,按8度抗震设防。结构设中心支撑,支撑斜杆钢材采用Q345(fy=325N/mm2),构件横断面如图6-7所示。则满足腹板宽厚比要求的腹板厚度t最接
A 26 B 28 C 30 D 32
查看
单选
对于底部大空间剪力墙结构的转换层楼面,下列符合规定的是( )。
A 应采用现浇楼板,其混凝土强度等级不应低于C.30,并应双层双向配筋,且每层每向的配筋率不宜小于0.25% B 应采用现浇楼板,其混凝土强度等级不应低于C.25,并应双层双向配筋,且每层每向的配筋率不宜小于0.25% C 应采用现浇楼板,其混凝土强度等级不应低于30,并应双层双向配筋,且每层每向的配筋率不宜小于0.20% D 应采用现浇楼板,其混凝土强度等级不应低于C.25,并应双层双向配筋,且每层每向的配筋率不宜小于0.20%
查看
单选
在设防烈度为6度至9度地区内的乙类、丙类高层建筑,应进行抗震设计,其地震作用计算按下列哪种做法才符合《高层建筑混凝土结构技术规范》(JGJ3-2002、J186
A 各抗震设防的高层建筑结构均应计算地震作用 B 6度设防时,Ⅰ~Ⅲ类场地上的建筑不必计算,Ⅳ类场地上的较高建筑及7度至9度设防的建筑应按本地区设防烈度计算 C 6度不必计算,7度至9度设防的建筑应按本地区设防烈度计算 D 6度设防时Ⅰ、Ⅱ类场地上的建筑不必计算,Ⅲ类和Ⅳ类场地上建筑及7度至9度设防的建筑应按本地区设防烈度计算
查看
单选
在选择楼盖结构设计方案时,下列各项不可取的是( )。
A 抗震设计时,不论板柱一剪力墙结构房屋有多高,顶层及地下一层的顶板,应采用现浇的肋形梁板结构 B 房屋高度超过50m时,框架一核心筒结构房屋的楼盖,应采用现浇楼盖结构,包括肋形梁板楼盖、双向密肋楼盖、压型钢板与混凝土的组合楼盖等 C 房屋高度不超过50m的部分框支剪力墙结构,其转换层也可采用装配整体式楼盖,但应有增加预制板之间的整体性一系列构造措施 D 房屋高度不超过50m的框架结构或剪力墙结构,允许采用装配式楼盖,并配以提高预制板之间的整体性措施
查看
单选
一展览厅的圆弧形静定三铰拱,其跨度ι=25m,矢高f=4m(图),在C、D、E处均作用着两个集中荷载Pgk及Pqk,即一是由永久荷载标准值产生的拱顶集中荷载Pg
A 495.8 B 560.55 C 585.25 D 593.75
查看
单选
某建造于大城市市区的28层公寓,采用钢筋混凝土剪力墙结构体系。平面为矩形,共6个开间,横向剪力墙间距为8.1m,其中间的剪力墙的计算简图如图所示。在风荷载(标准
A ±114 B ±126 C ±160 D ±176
查看
单选
某13层钢框架结构,箱形方柱截面如图所示,抗震设防烈度为8度,回转半径ix=iy=173mm,钢材采用Q345(fy=325N/mm2)。则满足规程要求的最大层
A 7800 B 8200 C 8800 D 9200
查看
刷题小程序
(结构) 专业考试一级题库小程序