首页
考研
最新考研题库
中外美术史23新版
建筑类
二级建造师
一级建造师
一级造价工程师
监理工程师
安全工程师
一级消防工程师
消防设施操作员
医学类
主治类
执业药师
护师(初级)资格证考试
主管护师(中级)资格证考试
护士资格证考试
医师类
中药学类
金融类
基金从业资格
银行从业资格
证券从业资格
期货从业资格
银行招聘考试
财会类
初级经济师
中级经济师
初级会计师
中级会计师
注册会计师
税务师
资产评估师
教师类
中学教师笔试
小学教师笔试
幼儿教师笔试
幼儿结构化面试
幼儿专业面试
中小学结构化面试
学历提升
成考(专升本)
成考(高起本、高起专)
自考
网校课程
登录
注册好礼
我的主页
我的提问
我的回答
退出
当前位置:
首页
>
(结构) 专业考试一级
>
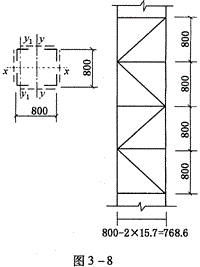
不定项选择题 一个斜缀条受到的轴心压力为( )kN。
单选
不定项选择题
一个斜缀条受到的轴心压力为( )kN。
A 1.939
B 2.742
C 3.878
D 5.484
正确答案
C
查看解析
搜索
相关试题
单选
不定项选择题 某单层工业厂房,设置有两台Q=25/10t的软钩桥式吊车,吊车每侧有两个车轮,轮距4m,最大轮压标准值Fmax=279.7kN,吊车横行小车重量标
A 8.0 B 14.0 C 28.0 D 42.0
查看
单选
不定项选择题 某单层工业厂房,设置有两台Q=25/10t的软钩桥式吊车,吊车每侧有两个车轮,轮距4m,最大轮压标准值Fmax=279.7kN,吊车横行小车重量标
A 81.6N/mm2;81.6N/mm2;110.1N/mm2 B 81.6N/mm2;85.7N/mm2;110.1N/mm2 C 81.6N/mm2;85.7N/mm2;121.1N/mm2 D 85.7N/mm2;85.7N/mm2;121.1N/mm2
查看
单选
不定项选择题 某屋盖工程大跨度主桁架结构使用Q345B钢材,其所有杆件均采用热轧H型钢,H型钢的腹板与桁架平面垂直。桁架端节点斜杆轴心拉力设计值N=12700k
A 26 B 22 C 18 D 16
查看
单选
不定项选择题 某屋盖工程大跨度主桁架结构使用Q345B钢材,其所有杆件均采用热轧H型钢,H型钢的腹板与桁架平面垂直。桁架端节点斜杆轴心拉力设计值N=12700k
A 356.0 B 258.7 C 178.5 D 158.2
查看
单选
不定项选择题 某厂房的纵向天窗宽8m、高4m,采用彩色压型钢板屋面、冷弯型钢檩条;天窗架、檩条、拉条、撑杆和天窗上弦水平支撑局部布置简图如图3-3(a)所示;天
A 3.3 B 4.2 C 5.5 D 6.6
查看
单选
不定项选择题 某厂房的纵向天窗宽8m、高4m,采用彩色压型钢板屋面、冷弯型钢檩条;天窗架、檩条、拉条、撑杆和天窗上弦水平支撑局部布置简图如图3-3(a)所示;天
A 46.2 B 35.0 C 27.8 D 24.9
查看
单选
不定项选择题 某厂房的纵向天窗宽8m、高4m,采用彩色压型钢板屋面、冷弯型钢檩条;天窗架、檩条、拉条、撑杆和天窗上弦水平支撑局部布置简图如图3-3(a)所示;天
A 8.0 B 9.2 C 11.3 D 12.5
查看
单选
不定项选择题 某厂房的纵向天窗宽8m、高4m,采用彩色压型钢板屋面、冷弯型钢檩条;天窗架、檩条、拉条、撑杆和天窗上弦水平支撑局部布置简图如图3-3(a)所示;天
A 205.9 B 180.6 C 171.3 D 151.4
查看
单选
不定项选择题 某单层工业厂房,设置有两台Q=25/10t的软钩桥式吊车,吊车每侧有两个车轮,轮距4m,最大轮压标准值Pmax=279.7kN,吊车横行小车重量标
A 8.0 B 11.1 C 15.9 D 22.2
查看
单选
不定项选择题 某单层工业厂房,设置有两台Q=25/10t的软钩桥式吊车,吊车每侧有两个车轮,轮距4m,最大轮压标准值Pmax=279.7kN,吊车横行小车重量标
A 8.0 B 14.0 C 28.0 D 42.0
查看
刷题小程序
热门试卷
一级注册结构工程师《 专业考试》模拟卷1
一级注册结构工程师《 专业考试》模拟卷2
一级注册结构工程师《 专业考试》模拟卷3
一级注册结构工程师《 专业考试》模拟卷4
一级注册结构工程师《 专业考试》模拟卷5
一级注册结构工程师《 专业考试》预测卷1
一级注册结构工程师《 专业考试》预测卷2
一级注册结构工程师《 专业考试》预测卷3
一级注册结构工程师《 专业考试》预测卷4