首页
考研
最新考研题库
中外美术史23新版
建筑类
二级建造师
一级建造师
一级造价工程师
监理工程师
安全工程师
一级消防工程师
消防设施操作员
医学类
主治类
执业药师
护师(初级)资格证考试
主管护师(中级)资格证考试
护士资格证考试
医师类
中药学类
金融类
基金从业资格
银行从业资格
证券从业资格
期货从业资格
银行招聘考试
财会类
初级经济师
中级经济师
初级会计师
中级会计师
注册会计师
税务师
资产评估师
教师类
中学教师笔试
小学教师笔试
幼儿教师笔试
幼儿结构化面试
幼儿专业面试
中小学结构化面试
学历提升
成考(专升本)
成考(高起本、高起专)
自考
网校课程
登录
注册好礼
我的主页
我的提问
我的回答
退出
当前位置:
首页
>
(结构) 专业考试一级
>
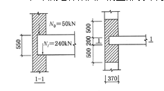
不定项选择题 某窗间墙尺寸为1200mm×370mm,如图4-2所示,采用MU10砖和M2.5的混合砂浆砌筑。已知大梁截
单选
不定项选择题 某窗间墙尺寸为1200mm×370mm,如图4-2所示,采用MU10砖和M2.5的混合砂浆砌筑。已知大梁截面尺寸为b×h=200mm×550mm,跨度5m,支承长度a=240mm,梁端荷载设计值产生的支承压力付Nl=240kN,梁底墙体截面处的上部设计荷载为N0=50kN。
试确定池壁的受剪承载力验算公式(V≤bzfv左、右两项最接近于( )。
A .7.2kN<44.4kN
B .8.64kN<44.4kN
C .8.64kN<49.3kN
D .8.64kN<55.5kN
正确答案
B
查看解析
搜索
相关试题
单选
配筋砌块抗震墙的竖向和水平方向分布钢筋,下列各项中哪一项不符合规范要求 ( )
A .竖向分布筋,最小直径12mm、最大间距600mm B .竖向分布筋的最小配筋率,一般部位、二级不应小于0.11% C .竖向分布筋的锚固长度不应小于48D.,D.为钢筋直径 D .水平分布筋的最小配筋率,加强部位、二级不宜小于0.13%
查看
单选
一承受l=7.8m大梁作用的砖砌体柱,截面尺寸:x方向b=490mm,y方向h=620mm,设两方向偏心距分别为eb=50mm,eh=70mm,如图4-50所示
A .311.56 B .346.17 C .384.64 D .427.40
查看
单选
混凝土小型空心砌块砌体墙长1.6m,厚度为190mm,其上的永久荷载作用的正压力N=135kN,水平推力Y=25kN,永久荷载起控制作用,砌块墙采用MU10砌块
A .49.2 B .46.8 C .37.1 D .35.5
查看
单选
下列关于砌体房屋抗震计算的论述不正确的是( )。
A .多层砌体房屋抗震计算,可采用底部剪力法 B .多层砌体房屋,可只选择承载面积较大或竖向应力较小的墙段进行截面抗剪验算 C .进行地震剪力分配和截面验算时,墙段的层间抗侧力等效刚度可只考虑剪切变形 D . 各类砌体沿阶梯形截面破坏的抗剪强度应采用fVE
查看
单选
某露天环境下工地采用直径d=150mm(小头)的杉木杆作混凝土梁底模立柱(有切削加工),柱高2.4m,两端铰支。试问该立柱能承受施工荷载(主要是活载)的轴压力(
A .109.0 B .130.9 C .145.4 D .209.9
查看
单选
一钢筋混凝土柱截面尺寸为250mm×250mm,支承在370mm宽的条形砖基础上,作用位置如图所示。砖基础用MU10烧结普通砖和M5水泥砂浆砌筑,柱传至基础上的
A .187.5 B .149.3 C .140.6 D .125.0
查看
单选
多层砌体刚性方案房屋,在水平风荷载作用下对纵墙进行内力分析时,下列论述不可能出现的是( )。
A .可按竖向连续梁分析内力 B .纵墙上、下端的弯矩可按两端固定梁计算 C .满足规范的规定,则可不进行风力计算 D .在一般刚性方案房屋中,必须考虑墙内由风荷载引起的弯曲应力以及在纵墙内产生的附加压力
查看
单选
关于砌体房屋静力计算方案的论述,下列各项中不正确的是( )。
A .弹性方案房屋按屋架(大梁)与墙(柱)铰接的平面排架或框架计算 B .刚弹性方案房屋按屋架(大梁)与墙(柱)铰接考虑空间工作的平面排架或框架计算 C .刚性方案房屋在竖向荷载作用下,墙(柱)在每层高度范围内可近似看作两端铰支的竖向构件 D .多层刚性方案房屋在水平荷载作用下,墙(柱)可视为竖向连续梁
查看
单选
在露天环境下,施工工地用杉木杆作梁底模立柱,杉木杆的小头直径d=160mm,未经切削,木材的抗压强度设计值(N/mm2)与下列何项数值相接近 ( )
A .13.66 B .12.41 C .11.88 D .10.00
查看
单选
关于网状配筋砖砌体,下列论述不正确的是( )。
A .网状配筋砖砌体开裂荷载,一般为破坏荷载的60%~75% B .网状配筋砖砌体的破坏特点是形成贯通的竖向裂缝 C .网状配筋砖砌体当配筋量增加到一定程度,砌体强度接近于单砖抗压强度 D .网状配筋砖砌体的极限压缩变形可为相应的无筋砌体的2~3倍
查看
刷题小程序
热门试卷
一级注册结构工程师《 专业考试》模拟卷1
一级注册结构工程师《 专业考试》模拟卷2
一级注册结构工程师《 专业考试》模拟卷3
一级注册结构工程师《 专业考试》模拟卷4
一级注册结构工程师《 专业考试》模拟卷5
一级注册结构工程师《 专业考试》预测卷1
一级注册结构工程师《 专业考试》预测卷2
一级注册结构工程师《 专业考试》预测卷3
一级注册结构工程师《 专业考试》预测卷4