单选

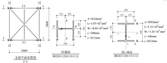
某钢结构管道支架如题图所示,钢梁L1与柱均采用轧制型钢,钢梁L1与柱刚接,不考虑地震作用,钢材采用Q235C,焊条采用E43型,除特别注明者外,安全等级二级,采用一阶弹性分析法计算内力,按《钢结构设计标准》(GB 50017—2017)作答。


假定2—2剖面中支撑杆件G1的最大内力设计值为其承载能力的30%。试问,当不考虑各种条件限制时,根据《钢结构设计标准》(GB 50017—2017)的规定,杆件G1的长细比容许值最大可取下列何项数值?(  )

A 150
B 200
C 300
D 400

正确答案
B
查看解析

相关试题

单选
下列何项说法违反国家现行标准的相关规定?( ) I.Q235及Q345钢材均应符合《低合金高强度结构钢》GB/T 1591的规定; Ⅱ.手工焊时,Q345钢之间
A I、Ⅱ B Ⅱ、Ⅲ C I、Ⅲ D I、Ⅱ、Ⅲ
查看
单选
下列关于混凝土结构工程施工的观点,何项符合《混凝土结构工程施工规范》(GB 50666—2011)的规定?( ) Ⅰ.楼面梁纵筋可采用电渣压力焊进行连接; Ⅱ.
A Ⅰ、Ⅲ B Ⅱ、Ⅲ C Ⅰ、Ⅳ D Ⅱ、Ⅳ
查看
单选
试问,下列何项说法不符合《木结构设计标准》(GB 50005—2017)的规定?( )
A 方木、原木作为主要的承重构件时,应采用针叶材 B 对原木构件,验算挠度和稳定时可取构件的中央截面,验算抗弯强度时可取弯矩最大截面 C 抗震设防烈度为8、9度时,不应采用结构布置不规则的纯木结构 D 采用方木、原木制作桁架时,应按桁架跨度的1/200起拱
查看
单选
试问,根据《砌体结构设计规范》(GB 50003—2011),关于砌体和钢筋混凝土构造柱组合墙结构房屋,下列说法有几项正确?( ) I.组合墙中的构造柱可提高墙
B 1 C 2 D 3
查看
单选
某现浇普通钢筋混凝土框架结构,标准设防类,设防烈度8度,不考虑竖向地震。某中间层边柱框架节点核心区如题图所示,楼板厚120mm,框架柱及节点核心区混凝土强度等级
A 3600kN B 4300kN C 5400kN D 6500kN
查看
单选
某现浇普通钢筋混凝土框架-剪力墙结构的底层剪力墙,安全等级二级,墙高H=3.0m,混凝土强度等级为C30(fc=14.3N/mm2),钢筋采用HRB400,截面
A 600mm B 950mm C 1250mm D 1550mm
查看
单选
某现浇普通钢筋混凝土剪力墙结构,抗震等级为二级,各墙肢稳定均满足要求。底层混凝土强度等级为C40(fc=19.1N/mm2)。假定,底层某四片剪力墙Q1、Q2、
A Q1 B Q2 C Q3 D Q4
查看
单选
某普通钢筋混凝土柱,安全等级二级,设计、施工均满足国标要求。经现场检测,原柱截面尺寸为300mm×300mm,混凝土强度等级为C30(fc0=14.3N/mm2
A 8<img border="0" alt="" src="https://tuku.weimei168.com/uploads/upimg/20251103/24071260_0_4.png">12 B 8<img border="0" alt="" src="https://tuku.weimei168.com/uploads/upimg/20251103/24071260_0_5.png">14 C 8<img border="0" alt="" src="https://tuku.weimei168.com/uploads/upimg/20251103/24071260_0_6.png">16 D 8<img border="0" alt="" src="https://tuku.weimei168.com/uploads/upimg/20251103/24071260_0_7.png">18
查看
单选
某普通钢筋混凝土悬挑桁架,安全等级二级,计算简图如题图所示,混凝土强度等级为C40(fc=19.1N/mm2、ft=1.71N/mm2),纵筋采用HRB500。
A 105N/mm2 B 150N/mm2 C 200N/mm2 D 250N/mm2
查看
单选
某普通钢筋混凝土悬挑桁架,安全等级二级,计算简图如题图所示,混凝土强度等级为C40(fc=19.1N/mm2、ft=1.71N/mm2),纵筋采用HRB500。
A N=640kN;V=-140kN B N=640kN;V=-260kN C N=290kN;V=-140kN D N=290kN;V=-260kN
查看
刷题小程序
(结构) 专业考试一级题库小程序