单选

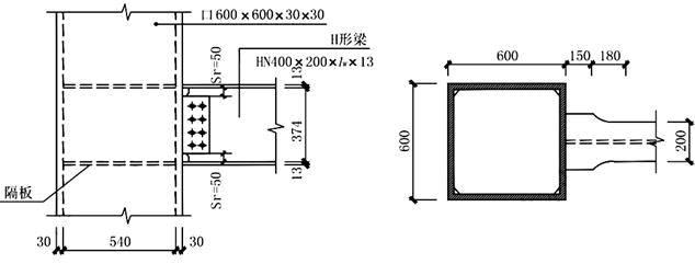
不定项选择题 某高层钢框梁结构,抗震等级三级,安全等级二级,钢材采用Q355钢(柱:fy=345N/mm2,f取295N/mm2;梁:fy取355N/mm2,f取305N/mm2;fu取470N/mm2),梁与柱钢接节点采用扩翼式栓焊混合连接。中部楼层某边节点如图所示,梁翼缘扩翼与柱的连接采用一级全熔透接口对接焊缝,腹板与柱采用高深度螺栓摩擦型连接,钢构件的连接系数α取1.35。假定,梁未扩翼时Mp=458kN·m,忽略连接板及螺栓极限受弯承载力,多遇地震时作用时,梁端地震组合弯矩设计值M=300KN·m,试问,若不考虑梁轴力影响,梁扩翼处翼缘宽度B最小取下列何项数值,才能满足梁与柱连接的极限受弯承载力要求?( )
提示:按《高层民用建筑钢结构技术规程》(JGJ 99—2015)作答。

A 220mm
B 250mm
C 280mm
D 300mm

正确答案
C
查看解析

相关试题

单选
不定项选择题 关于地基基础检验与监测的下列各项说法,有几项符合《建筑地基基础设计规范》(GB 50007—2011)的规定?( ) Ⅰ.基桩验收检验静载荷试验最
B 1 C 2 D 3
查看
单选
不定项选择题 关于地基基础设计的下列各项说法,有几项符合《建筑地基基础设计规范》(GB 50007—2011)规定?( ) Ⅰ.C15毛石混凝土基础,相应于作用
B 1 C 2 D 3
查看
单选
不定项选择题 关于高层混凝土结构抗震性能化设计,下列各项说法与《建筑抗震设计规范》(GB 50011—2010)(2010年版)的规定不符?( ) Ⅰ.抗震性能
A Ⅰ、Ⅱ不符合 B Ⅰ、Ⅲ符合 C Ⅱ、Ⅳ不符合 D 全不符合
查看
单选
不定项选择题 关于高层民用建筑混凝土结构,下列何项说法与《高层建筑混凝土结构技术规程》(JGJ 3—2010)的规定不符?( )
A 对于框架结构,影响结构层间弹塑性位移角限值[θp]的因素有很多,其中轴压比和配箍率是两个重要的影响因素 B 结构扭转位移比计算应采用“规定水平地震力”,且应考虑偶然偏心影响;楼层层间最大水平位移与层高之比计算时,应采用地震作用标准值,可不考虑偶然偏心影响 C 验算弹性层间位移角(Δu/h)是否满足限值要求时,第i层最大层间位移Δui是指第i层与第i-1层在楼层平面各处水平位移的最大值之差 D 重点设防类高层建筑应按高于本地区抗震设防烈度一度的要求加强其抗震措施,但抗震设防烈度为9度时按比9度更高的要求采取抗震措施;标准设防类高层建筑,当建筑场地为Ⅰ类时,应允许比本地区抗震设防烈度降低一度的要求采取抗震构造措施,但6度时不应降低
查看
单选
不定项选择题 某12层钢筋混凝土框架结构,质量、侧向刚度沿竖向分布可视为均匀,首层层高5米,其余各层为4米,各层重力荷载设计值之和为∑Gj=4×10^5kN,该
A 1 B 1.1 C 1.2 D 1.3
查看
单选
不定项选择题 某38层现浇框架-核心筒高层办公楼,标准设防类,安全等级一级,如图所示。内筒为钢筋混凝土筒体,外框柱采用型钢混凝土柱,楼面梁为钢筋混凝土梁,房屋高
A 16<img border="0" alt="" src="https://tuku.weimei168.com/uploads/upimg/20251103/22417325_0_2.png">25,<img border="0" alt="" src="https://tuku.weimei168.com/uploads/upimg/20251103/22417325_0_3.png">10@100 B 16<img border="0" alt="" src="https://tuku.weimei168.com/uploads/upimg/20251103/22417325_0_4.png">25,<img border="0" alt="" src="https://tuku.weimei168.com/uploads/upimg/20251103/22417325_0_5.png">12@100 C 16<img border="0" alt="" src="https://tuku.weimei168.com/uploads/upimg/20251103/22417325_0_6.png">22,<img border="0" alt="" src="https://tuku.weimei168.com/uploads/upimg/20251103/22417325_0_7.png">10@100 D 16<img border="0" alt="" src="https://tuku.weimei168.com/uploads/upimg/20251103/22417325_0_8.png">22,<img border="0" alt="" src="https://tuku.weimei168.com/uploads/upimg/20251103/22417325_0_9.png">12@100
查看
单选
不定项选择题 某38层现浇框架-核心筒高层办公楼,标准设防类,安全等级一级,如图所示。内筒为钢筋混凝土筒体,外框柱采用型钢混凝土柱,楼面梁为钢筋混凝土梁,房屋高
A 1/140 B 1/160 C 1/170 D 1/180
查看
单选
不定项选择题 某38层现浇框架-核心筒高层办公楼,标准设防类,安全等级一级,如图所示。内筒为钢筋混凝土筒体,外框柱采用型钢混凝土柱,楼面梁为钢筋混凝土梁,房屋高
A 1280kN·m B 1360kN·m C 1400kN·m D 1500kN·m
查看
单选
不定项选择题 某38层现浇框架-核心筒高层办公楼,标准设防类,安全等级一级,如图所示。内筒为钢筋混凝土筒体,外框柱采用型钢混凝土柱,楼面梁为钢筋混凝土梁,房屋高
A 框架二级,核心筒二级 B 框架一级,核心筒二级 C 框架特一级,核心筒一级 D 框架一级,核心筒特一级
查看
单选
不定项选择题 某38层现浇框架-核心筒高层办公楼,标准设防类,安全等级一级,如图所示。内筒为钢筋混凝土筒体,外框柱采用型钢混凝土柱,楼面梁为钢筋混凝土梁,房屋高
A 选项(A) B 选项(B) C 选项(C) D 选项(D)
查看
刷题小程序
(结构) 专业考试一级题库小程序