首页
考研
最新考研题库
中外美术史23新版
建筑类
二级建造师
一级建造师
一级造价工程师
监理工程师
安全工程师
一级消防工程师
消防设施操作员
医学类
主治类
执业药师
护师(初级)资格证考试
主管护师(中级)资格证考试
护士资格证考试
医师类
中药学类
金融类
基金从业资格
银行从业资格
证券从业资格
期货从业资格
银行招聘考试
财会类
初级经济师
中级经济师
初级会计师
中级会计师
注册会计师
税务师
资产评估师
教师类
中学教师笔试
小学教师笔试
幼儿教师笔试
幼儿结构化面试
幼儿专业面试
中小学结构化面试
学历提升
成考(专升本)
成考(高起本、高起专)
自考
网校课程
登录
注册好礼
我的主页
我的提问
我的回答
退出
当前位置:
首页
>
(结构) 专业考试一级
>
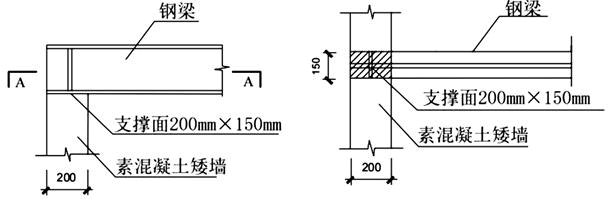
不定项选择题 假定,某钢梁的梁端简支于素混凝土矮墙上,支承面尺寸150mm×200mm,混凝土强度等级为C20。试问,支
单选
不定项选择题 假定,某钢梁的梁端简支于素混凝土矮墙上,支承面尺寸150mm×200mm,混凝土强度等级为C20。试问,支承面混凝土的局部受压承载力设计值与下列何项数值最为接近?( )
A 730kN
B 420kN
C 310kN
D 240kN
正确答案
C
查看解析
搜索
相关试题
单选
不定项选择题 假定,某厂房中支承吊车梁的柱牛腿如图所示,牛腿与下柱交接处的垂直截面有效高度为350mm,牛腿宽度700mm,混凝土强度等级C40(ft=1.71
A 450mm2 B 600mm2 C 750mm2 D 900mm2
查看
单选
不定项选择题 假定,某三层钢框架结构,柱采用H形截面,外露式刚接柱脚,采用抗震性能化设计,柱下端承载性能系数为1.1。关于该外露式柱脚设计,有下列说法: Ⅰ.按
A 应满足Ⅰ、Ⅱ,可不满足Ⅲ B 应满足Ⅱ C 宜满足Ⅰ,可不满足Ⅱ D 应满足Ⅰ、Ⅱ、Ⅲ
查看
单选
不定项选择题 某9度设防烈度区建筑中的一级抗震等级连梁,按矩形截面计算,截面尺寸b×h=400mm×900mm,净跨ln=2.5m,as=as′=70mm,混凝
A 3530mm2 B 4160mm2 C 4700mm2 D 5530mm2
查看
单选
不定项选择题 某大跨屋面采用正放四角锥螺栓球节点网架结构,剖面如图所示,抗震设防烈度8度(0.20g)、抗震设防类别为丙类,安全等级二级。杆件钢材采用Q345,
A 1 B 0.85 C 0.75 D 0.67
查看
单选
不定项选择题 某单层、单跨无吊车砖柱厂房,建于上世纪80年代,如图所示。原设计砖砌体采用MU15烧结普通砖,M10混合砂浆砌筑。现对该厂房进行专业检测鉴定,结论
A 230kN B 300kN C 400kN D 500kN
查看
单选
不定项选择题 某单层、单跨无吊车砖柱厂房,建于上世纪80年代,如图所示。原设计砖砌体采用MU15烧结普通砖,M10混合砂浆砌筑。现对该厂房进行专业检测鉴定,结论
A 1000kN B 1100kN C 1200kN D 1300kN
查看
单选
不定项选择题 某单层、单跨无吊车砖柱厂房,建于上世纪80年代,如图所示。原设计砖砌体采用MU15烧结普通砖,M10混合砂浆砌筑。现对该厂房进行专业检测鉴定,结论
A 横向抗震计算,可按平面排架计算 B 纵向可不进行抗震验算 C 对抗震承载力不满足的砖柱,可采用增设钢筋网砂浆面层与原有砖柱形成面层组合柱加固,每侧纵筋不小于3~8,且配筋率不小于0.1%的组合柱,可不进行抗震承载力验算 D 对抗震承载力不满足的砖柱,可采用钢构套加固,增设满足构造规定的钢构套加固后的砖柱;可不进行抗震承载力验算
查看
单选
不定项选择题 某单层、单跨无吊车砖柱厂房,建于上世纪80年代,如图所示。原设计砖砌体采用MU15烧结普通砖,M10混合砂浆砌筑。现对该厂房进行专业检测鉴定,结论
A 2 B 3 C 4 D 6
查看
单选
不定项选择题 某单层、单跨无吊车砖柱厂房,建于上世纪80年代,如图所示。原设计砖砌体采用MU15烧结普通砖,M10混合砂浆砌筑。现对该厂房进行专业检测鉴定,结论
A 11;22 B 13;23 C 21;22 D 20;26
查看
单选
不定项选择题 某单层的结构厂房,沿纵向受使用条件所限无法设置柱间支撑,厂房纵向布置和柱截面如图所示,纵向刚接框架的柱脚均为固接,其他柱脚铰接,框架梁截面采用H4
A 12.5m B 16.7m C 21.6m D 34.6m
查看
刷题小程序
热门试卷
2018年(上午)一级注册结构工程师《 专业考试》真题
2018年(下午)一级注册结构工程师《 专业考试》真题
2019年(上午)一级注册结构工程师《 专业考试》真题
2019年(下午)一级注册结构工程师《 专业考试》真题
2020年(上午)一级注册结构工程师《 专业考试》真题
2020年(下午)一级注册结构工程师《 专业考试》真题
2021年(上午)一级注册结构工程师《 专业考试》真题
2021年(下午)一级注册结构工程师《 专业考试》真题
2022年(上午)一级注册结构工程师《 专业考试》真题
2022年(下午)一级注册结构工程师《 专业考试》真题
2023年(上午)一级注册结构工程师《 专业考试》真题
2023年下午)一级注册结构工程师《 专业考试》真题
2024年(上午)一级注册结构工程师《 专业考试》真题
2024年(下午)一级注册结构工程师《 专业考试》真题