首页
考研
最新考研题库
中外美术史23新版
建筑类
二级建造师
一级建造师
一级造价工程师
监理工程师
安全工程师
一级消防工程师
消防设施操作员
医学类
主治类
执业药师
护师(初级)资格证考试
主管护师(中级)资格证考试
护士资格证考试
医师类
中药学类
金融类
基金从业资格
银行从业资格
证券从业资格
期货从业资格
银行招聘考试
财会类
初级经济师
中级经济师
初级会计师
中级会计师
注册会计师
税务师
资产评估师
教师类
中学教师笔试
小学教师笔试
幼儿教师笔试
幼儿结构化面试
幼儿专业面试
中小学结构化面试
学历提升
成考(专升本)
成考(高起本、高起专)
自考
网校课程
登录
注册好礼
我的主页
我的提问
我的回答
退出
当前位置:
首页
>
(结构) 专业考试一级
>
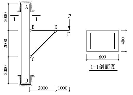
单选题 某管道支架的结构简图如图所示,安全等级为二级,其中构件AD为钢筋混凝土等截面构件,混凝土强度等级为C30(fc=
单选
单选题 某管道支架的结构简图如图所示,安全等级为二级,其中构件AD为钢筋混凝土等截面构件,混凝土强度等级为C30(fc=14.3N/mm2),纵向钢筋采用HRB500,箍筋采用HRB400,as=a′s=50mm。杆BF和杆CE为钢结构构件,在F点作用竖向集中荷载设计值P,内力设计值见相关内力图。假定,不考虑地震设计工况,忽略构件自重。不考虑二阶效应,不考虑截面腹部钢筋的作用,钢构件的承载力及变形均满足设计要求。
提示:不必验算构件平面外承载力和稳定。
假定P=600kN,试问,满足斜截面受剪承载力要求时,构件AD在支座D边缘处1132的截面最小箍筋配置与下列何项最为接近?( )
提示:①不必复核截面限制条件和构造要求;②假定λ=3。
A.
6@200(4)
B.
8@250(4)
C.
8@200(4)
D.{图6}10@200(4)
A A
B B
C C
D D
E E
正确答案
B
查看解析
搜索
相关试题
单选
单选题 某抗震墙结构,抗震等级为二级。其底层某“一字形”抗震墙肢,截面为b×h=220mm×1800mm,混凝土强度等级为C40,钢筋采用HRB400。假定,在
A A B B C C D D E E
查看
单选
某钢筋混凝土平面构架,梁柱节点均为刚接,如图所示,假定所有构件截面均相同,且处于弹性状态,试问结构在均匀升温工况下,下列关于温度效应的表述何项正确?( ) Ⅰ.
A Ⅰ,Ⅳ B Ⅱ,Ⅲ C Ⅰ,Ⅲ D Ⅱ,Ⅳ
查看
单选
某钢筋混凝土楼面等截面梁,设计使用年限50年,安全等级为二级,不考虑地震,计算简图如下图所示。假设AB和BC上作用的永久均匀荷载标准值分别为G1k=20kN/m
A 155 B 105 C 80 D 450
查看
单选
单选题 某钢筋混凝土梁b×h=250mm×650mm,箍筋保护层厚度c=20mm,跨中受到弯矩、扭矩、剪力的共同作用,弯矩作用时梁下部受拉,假定设计时纵筋和箍筋
A A B B C C D D E E
查看
单选
某钢筋混凝土简支梁,受均布荷载作用,处于室内正常环境,安全等级为二级,梁截面为b×h=250×550mm,楼板厚度为120mm,设计、施工、使用和维护均满足现行
A 150mm B 190mm C 230mm D 270mm
查看
单选
某多层厂房屋盖的预制槽形构件截面如图所示,槽形构件两端简支在屋架上,为受弯构件。假定预制槽形构件采用C30混凝土,HRB400钢筋,as=50mm,试问,当计算
A 25000mm2 B 28000mm2 C 35000mm2 D 53000mm2
查看
单选
关于胶合木结构的说法,以下何项正确?( )
A 胶合木结构的强度设计值和弹性模量在某些使用条件下会发生变化,一般情况下,使用时间越长,弹性模量越高 B 胶合木的顺纹抗压强度一般大于顺纹抗拉强度 C 结构设计时,应考虑正交胶合木的横纹方向层的板作用 D 《木结构设计标准》(GB50005—2017)表4.3.5中,南方松和东北落叶松的产地均在中国
查看
单选
对于采用刚性方案的多层彻体房屋,关于静力计算有下述四个观点: Ⅰ.墙体在竖向荷载作用下,在每层高度范围内可近似地视作上下两端铰支的竖向构件;在垂直于墙面的水平荷
A Ⅰ B Ⅱ、Ⅲ、Ⅳ C Ⅰ、Ⅱ、Ⅳ D Ⅰ、Ⅳ
查看
单选
某长度为24m的后张法预应力混凝土轴心受拉构件,截面如图所示,安全等级为二级,假定该构件采用一端一次张拉工艺,孔道直径为55mm,预埋波纹管成孔。当混凝土达到设
A 1070N/mm2 B 1040N/mm2 C 1010N/mm2 D 980N/mm2
查看
单选
某长度为24m的后张法预应力混凝土轴心受拉构件,截面如图所示,安全等级为二级,假定该构件采用一端一次张拉工艺,孔道直径为55mm,预埋波纹管成孔。当混凝土达到设
A 420 B 480 C 550 D 620
查看
刷题小程序
热门试卷
2018年(上午)一级注册结构工程师《 专业考试》真题
2018年(下午)一级注册结构工程师《 专业考试》真题
2019年(上午)一级注册结构工程师《 专业考试》真题
2019年(下午)一级注册结构工程师《 专业考试》真题
2020年(上午)一级注册结构工程师《 专业考试》真题
2020年(下午)一级注册结构工程师《 专业考试》真题
2021年(上午)一级注册结构工程师《 专业考试》真题
2021年(下午)一级注册结构工程师《 专业考试》真题
2022年(上午)一级注册结构工程师《 专业考试》真题
2022年(下午)一级注册结构工程师《 专业考试》真题
2023年(上午)一级注册结构工程师《 专业考试》真题
2023年下午)一级注册结构工程师《 专业考试》真题
2024年(上午)一级注册结构工程师《 专业考试》真题
2024年(下午)一级注册结构工程师《 专业考试》真题