首页
考研
最新考研题库
中外美术史23新版
建筑类
二级建造师
一级建造师
一级造价工程师
监理工程师
安全工程师
一级消防工程师
消防设施操作员
医学类
主治类
执业药师
护师(初级)资格证考试
主管护师(中级)资格证考试
护士资格证考试
医师类
中药学类
金融类
基金从业资格
银行从业资格
证券从业资格
期货从业资格
银行招聘考试
财会类
初级经济师
中级经济师
初级会计师
中级会计师
注册会计师
税务师
资产评估师
教师类
中学教师笔试
小学教师笔试
幼儿教师笔试
幼儿结构化面试
幼儿专业面试
中小学结构化面试
学历提升
成考(专升本)
成考(高起本、高起专)
自考
网校课程
登录
注册好礼
我的主页
我的提问
我的回答
退出
当前位置:
首页
>
(结构) 专业考试一级
>
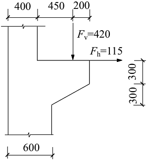
某钢筋混凝土牛腿,如题4图所示,安全等级为二级,牛腿的截面宽度b=400mm,混凝土强度等级C30,钢筋HRB400。假
单选
某钢筋混凝土牛腿,如题4图所示,安全等级为二级,牛腿的截面宽度b=400mm,混凝土强度等级C30,钢筋HRB400。假定,不考虑地震设计状况,αs=40mm,牛腿顶面的荷载作用设计值为:水平拉力Fh=115kN,竖向压力Fv=420kN。试问,沿牛腿顶部配置的纵向受力钢筋的最小截面面积As(mm2),与下列何项数值最为接近?( )
提示:牛腿的截面尺寸满足规范要求。
A 650
B 850
C 1050
D 1250
正确答案
C
查看解析
搜索
相关试题
单选
按照《混凝土结构工程施工质量验收规范》(GB 50204—2015)作答,以下符合要求的是:( )。 Ⅰ.设计无具体要求时,柱纵向受力钢筋搭接长度的范围内的箍筋
A Ⅰ、Ⅱ B Ⅲ、Ⅳ C Ⅱ、Ⅲ D Ⅰ、Ⅳ
查看
单选
某构架计算简图如题图所示,安全等级为二级,其中竖杆AB为普通钢筋混凝土构件,对称配筋,混凝土强度等级C30,钢筋HRB400。1—1截面为AB杆下端截面。假定,
A 偏压,1700mm2 B 偏压,2150mm2 C 偏拉,1700mm2 D 偏拉,2150mm2
查看
单选
某普通钢筋混凝土墙为偏心受压构件,安全等级为二级,其截面尺寸200mm×1800m,如题2图。混凝土强度等级C30,钢筋HRB400,沿截面腹部均匀配置纵向普通
A 0.4 B 0.50 C 0.60 D 0.70
查看
单选
某普通钢筋混凝土三跨连续深梁,计算简图如题3图所示,安全等级为二级。混凝土强度等级C30,钢筋HRB400。假定,不考虑地震设计状况,梁截面均为矩形,b×h=2
A 510 B 610 C 710 D 810
查看
单选
受节点荷载作用的某普通钢筋混凝土三角形屋架,构件安全等级均为二级,结构计算简图如题10图所示,腹杆①为矩形截面,b×h=250mm×250mm,对称配筋,混凝土
A 250 B 360 C 470 D 600
查看
单选
某普通钢筋混凝土等截面连续梁,安全等级为二级,其计算简图和支座B边缘处1—1截面的配筋示意如题11图所示。梁截面b×h=300mm×650mm,混凝土强度等级C
A 1.2 B 1.5 C 1.7 D 2.0
查看
单选
某普通办公楼为钢筋混凝土框架结构,楼盖为梁板承重体系,其楼层平面及剖面如题15图所示。屋面为不上人屋面,隔墙均为固定隔墙,假定二次装修荷载作为永久荷载考虑。试问
A 140 B 150 C 180 D 210
查看
单选
某建筑外立面造型需要在梁侧设置挑板作为装饰性线脚,如题5图所示。假定,挑板混凝土强度等级C30,钢筋HPB300,αs=30mm,根部弯矩设计值为0.2kN·m
A 0.12 B 0.15 C 0.20 D 0.24
查看
单选
某普通钢筋混凝土简支梁,处于室内正常环境,安全等级为二级,梁截面b×h=300mm×600mm,设计、施工、使用和维护均满足线性规范各项要求,钢筋混凝土等级为C
A 480 B 520 C 560 D 600
查看
单选
某后张法有粘结预应力混凝土等截面悬臂梁,安全等级为二级,不考虑地震设计状况。混凝土强度等级C40(fc=19.1N/mm2,ft=1.71N/mm2),梁的计算
A 2250 B 2650 C 3150 D 3650
查看
刷题小程序
热门试卷
2018年(上午)一级注册结构工程师《 专业考试》真题
2018年(下午)一级注册结构工程师《 专业考试》真题
2019年(上午)一级注册结构工程师《 专业考试》真题
2019年(下午)一级注册结构工程师《 专业考试》真题
2020年(上午)一级注册结构工程师《 专业考试》真题
2020年(下午)一级注册结构工程师《 专业考试》真题
2021年(上午)一级注册结构工程师《 专业考试》真题
2021年(下午)一级注册结构工程师《 专业考试》真题
2022年(上午)一级注册结构工程师《 专业考试》真题
2022年(下午)一级注册结构工程师《 专业考试》真题
2023年(上午)一级注册结构工程师《 专业考试》真题
2023年下午)一级注册结构工程师《 专业考试》真题
2024年(上午)一级注册结构工程师《 专业考试》真题
2024年(下午)一级注册结构工程师《 专业考试》真题