首页
考研
最新考研题库
中外美术史23新版
建筑类
二级建造师
一级建造师
一级造价工程师
监理工程师
安全工程师
一级消防工程师
消防设施操作员
医学类
主治类
执业药师
护师(初级)资格证考试
主管护师(中级)资格证考试
护士资格证考试
医师类
中药学类
金融类
基金从业资格
银行从业资格
证券从业资格
期货从业资格
银行招聘考试
财会类
初级经济师
中级经济师
初级会计师
中级会计师
注册会计师
税务师
资产评估师
教师类
中学教师笔试
小学教师笔试
幼儿教师笔试
幼儿结构化面试
幼儿专业面试
中小学结构化面试
学历提升
成考(专升本)
成考(高起本、高起专)
自考
网校课程
登录
注册好礼
我的主页
我的提问
我的回答
退出
当前位置:
首页
>
(结构) 专业基础考试一级
>
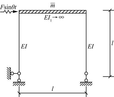
图示结构横梁的均布质量为,柱的质量不计。EI为常数,不计阻尼。若简谐荷载的频率θ与结构自振频率ω之间的关系为,则柱中最大
单选
图示结构横梁的均布质量为
,柱的质量不计。EI为常数,不计阻尼。若简谐荷载的频率θ与结构自振频率ω之间的关系为
,则柱中最大动弯矩为( )。
A Fl
B 2Fl
C 3Fl
D Fl/2
正确答案
B
查看解析
搜索
相关试题
单选
材料在水中吸收水分的性质称为( )。
A 渗透性 B 吸湿性 C 耐水性 D 吸水性
查看
单选
下列硅酸盐水泥熟料的四种矿物中,耐化学腐蚀性最好的是( )。
A C3S B C2S C C3A D C4AF
查看
单选
下列有关混凝土用骨料(砂、石)的叙述,正确的是( )。
A 砂的细度模数小,表示砂较细,其总表面积较小 B 混凝土用Ⅱ类建设用砂,其含泥量可以大于3.0% C 压碎指标可用来表示天然砂的强度 D 当粗骨料中夹杂活性二氧化硅时,混凝土有可能发生碱骨料反应
查看
单选
对于强度等级为C60的混凝土,以下说法正确的是( )。
A 该混凝土标准立方体抗压强度标准值低于60MPa B 该混凝土标准立方体抗压强度的平均值等于60MPa C 该混凝土标准立方体抗压强度的平均值大于60MPa D 该混凝土标准立方体抗压强度大于60MPa的概率为95%
查看
单选
沥青的针入度表示沥青的( )。
A 凝结时间 B 耐久性 C 黏滞性 D 强度
查看
单选
钢材经过冷加工之后提高的性能是( )。
A 塑性 B 韧性 C 弹性模量 D 屈服强度
查看
单选
石材的耐水性根据软化系数大小分为高、中、低三个等级,软化系数在0.6~0.75之间的为( )。
A 高耐水性 B 中耐水性 C 低耐水性 D 不允许用于重要建筑物中
查看
单选
下面说法正确的是( )。
A 用水平面代替水准面,对距离测量的影响比对高程测量的影响小 B 天文地理坐标的基准面是参考椭球面 C 大地地理坐标的基准面是大地水准面 D 地面点的绝对高程是指地面点到任一水准面的铅锤距离
查看
单选
自动安平式水准仪进行水准测量的操作步骤为( )。
A 粗平—瞄准—精平—读数 B 瞄准—粗平—精平—读数 C 粗平—精平—瞄准—读数 D 粗平—瞄准—读数
查看
单选
下面关于DJ6级光学经纬仪的水平度盘和竖直度盘描述正确的是( )。
A 水平度盘与基座固连,不随照准部一起转动 B 水平度盘与竖轴固连,随照准部一起转动 C 竖直度盘不与望远镜固连,不随望远镜一起转动 D 竖直度盘与横轴固连,随望远镜一起转动
查看
刷题小程序
热门试卷
2017年注册结构工程师《专业基础考试》真题
2018年注册结构工程师《专业基础考试》真题
2019年注册结构工程师《专业基础考试》真题
2020年注册结构工程师《专业基础考试》真题
2021年注册结构工程师《专业基础考试》真题
2022年注册结构工程师《专业基础考试》真题
2023年注册结构工程师《专业基础考试》真题
2024年注册结构工程师《专业基础考试》真题