首页
考研
最新考研题库
中外美术史23新版
建筑类
二级建造师
一级建造师
一级造价工程师
监理工程师
安全工程师
一级消防工程师
消防设施操作员
医学类
主治类
执业药师
护师(初级)资格证考试
主管护师(中级)资格证考试
护士资格证考试
医师类
中药学类
金融类
基金从业资格
银行从业资格
证券从业资格
期货从业资格
银行招聘考试
财会类
初级经济师
中级经济师
初级会计师
中级会计师
注册会计师
税务师
资产评估师
教师类
中学教师笔试
小学教师笔试
幼儿教师笔试
幼儿结构化面试
幼儿专业面试
中小学结构化面试
学历提升
成考(专升本)
成考(高起本、高起专)
自考
网校课程
登录
注册好礼
我的主页
我的提问
我的回答
退出
当前位置:
首页
>
(结构) 专业基础考试一级
>
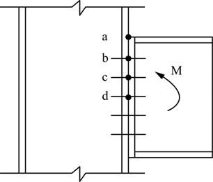
如图所示,普通螺栓群受弯矩M作用,在计算螺栓拉力时,旋转中心应取( )。
单选
如图所示,普通螺栓群受弯矩M作用,在计算螺栓拉力时,旋转中心应取( )。
A a点
B b点
C c点
D d点
正确答案
B
查看解析
搜索
相关试题
单选
适合单独采用硅酸盐水泥的混凝土是( )。
A 早期强度要求高的混凝土 B 大体积混凝土 C 与海水接触的混凝土 D 抗硫酸盐的混凝土
查看
单选
混凝土的徐变是指混凝土在荷载作用下沿受力方向产生的塑性变形,该荷载是( )。
A 长期荷载 B 瞬时荷载 C 交变荷载 D 振动冲击荷载
查看
单选
同种材料,吸水率最大时,其孔隙特征是( )。
A 开口、粗大、连通 B 开口、微小、连通 C 闭口、微小、独立 D 闭口、粗大、独立
查看
单选
硅酸盐水泥熟料中,对早期强度贡献最大的是( )。
A 硅酸三钙 B 铝酸三钙 C 硅酸二钙 D 铁铝酸四钙
查看
单选
混凝土拌合物发生分层、离析,说明( )。
A 流动性差 B 黏聚性差 C 保水性差 D 黏结性差
查看
单选
最不宜用作动荷载较大结构中的钢材是( )。
A 沸腾钢 B 镇静刚 C 低碳钢 D 特殊镇静钢
查看
单选
若要求地形图能反映实地0.05m的长度,则所用地形图的比例尺不应小于( )。
A 1/500 B 1/1000 C 1/2000 D 1/5000
查看
单选
以划拨方式提供国有土地使用权的,建设单位应当向城乡主管部门申请( )。
A 选址意见书 B 规划许可证 C 用地许可证 D 建设许可证
查看
单选
钢筋混凝土T形截面和工字形截面剪扭构件可分矩形块计算的是( )。
A 由各矩形块分块承担剪力 B 剪力全部由腹板承担 C 剪力、扭矩都分块承担 D 扭矩全部由腹板承担
查看
单选
对称配筋小偏心受压钢筋混凝土短柱,若截面一侧钢筋受压,另一侧钢筋受拉,则该柱破坏时( )。
A 受压、受拉钢筋均屈服 B 受压、受拉钢筋均不屈服 C 受拉钢筋屈服,受压钢筋不屈服 D 受压钢筋屈服,受拉钢筋不屈服
查看
刷题小程序
热门试卷
2017年注册结构工程师《专业基础考试》真题
2018年注册结构工程师《专业基础考试》真题
2019年注册结构工程师《专业基础考试》真题
2020年注册结构工程师《专业基础考试》真题
2021年注册结构工程师《专业基础考试》真题
2022年注册结构工程师《专业基础考试》真题
2023年注册结构工程师《专业基础考试》真题
2024年注册结构工程师《专业基础考试》真题