首页
考研
最新考研题库
中外美术史23新版
建筑类
二级建造师
一级建造师
一级造价工程师
监理工程师
安全工程师
一级消防工程师
消防设施操作员
医学类
主治类
执业药师
护师(初级)资格证考试
主管护师(中级)资格证考试
护士资格证考试
医师类
中药学类
金融类
基金从业资格
银行从业资格
证券从业资格
期货从业资格
银行招聘考试
财会类
初级经济师
中级经济师
初级会计师
中级会计师
注册会计师
税务师
资产评估师
教师类
中学教师笔试
小学教师笔试
幼儿教师笔试
幼儿结构化面试
幼儿专业面试
中小学结构化面试
学历提升
成考(专升本)
成考(高起本、高起专)
自考
网校课程
登录
注册好礼
我的主页
我的提问
我的回答
退出
当前位置:
首页
>
(结构) 专业基础考试一级
>
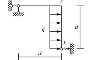
图示结构忽略轴向变形和剪切变形,若增大弹簧刚度k,则A结点水平位移ΔAH( )。
单选
图示结构忽略轴向变形和剪切变形,若增大弹簧刚度k,则A结点水平位移ΔAH( )。
A 增大
B 减小
C 不变
D 可能增大,亦可能减小
正确答案
C
查看解析
搜索
相关试题
单选
对于要承受冲击荷载的土木工程结构,其所用材料应具有较高的( )。
A 弹性 B 塑性 C 脆性 D 韧性
查看
单选
受水浸泡或处于潮湿环境中的重要建筑物所选用的材料,其软化系数应( )。
A >0.50 B >0.75 C >0.85 D >0.90
查看
单选
我国颁布的通用硅酸盐水泥标准中,符号“P·Ⅰ”代表( )。
A 普通硅酸盐水泥 B 硅酸盐水泥 C 粉煤灰硅酸盐水泥 D 复合硅酸盐水泥
查看
单选
配制高质量混凝土的基础是骨料的密实堆积,而实现骨料的密实堆积需要骨料具有良好的( )。
A 密度和强度 B 强度和含水量 C 粒形和级配 D 强度和孔隙率
查看
单选
我国使用立方体试块来测定混凝土的抗压强度,其标准试块的边长为( )。
A 100mm B 125mm C 150mm D 200mm
查看
单选
冷弯试验除了可评价钢材的塑性变形能力外,还可评价钢材的( )。
A 强度 B 冷脆性 C 焊接质量 D 时效敏感性
查看
单选
木材加工使用前,应将其干燥至( )。
A 绝对干燥状态 B 标准含水状态 C 平衡含水状态 D 饱和含水状态
查看
单选
下列关于大地水准面的描述何项是正确的?( )
A 有无穷多个 B 外业测量基准面 C 计算的基准面 D 绘图的基准面
查看
单选
1∶1000地形图宜采用下列何种投影?( )
A 6°带高斯-克吕格投影 B 3°带高斯-克吕格投影 C 正轴等角割圆锥投影 D 方位投影 E
查看
单选
单选题 设Δ为一组同精度观测值的偶然误差(真误差),下列何项可作为其中误差表达?( )
A A B B C C D D E E
查看
刷题小程序
热门试卷
2017年注册结构工程师《专业基础考试》真题
2018年注册结构工程师《专业基础考试》真题
2019年注册结构工程师《专业基础考试》真题
2020年注册结构工程师《专业基础考试》真题
2021年注册结构工程师《专业基础考试》真题
2022年注册结构工程师《专业基础考试》真题
2023年注册结构工程师《专业基础考试》真题
2024年注册结构工程师《专业基础考试》真题