首页
考研
最新考研题库
中外美术史23新版
建筑类
二级建造师
一级建造师
一级造价工程师
监理工程师
安全工程师
一级消防工程师
消防设施操作员
医学类
主治类
执业药师
护师(初级)资格证考试
主管护师(中级)资格证考试
护士资格证考试
医师类
中药学类
金融类
基金从业资格
银行从业资格
证券从业资格
期货从业资格
银行招聘考试
财会类
初级经济师
中级经济师
初级会计师
中级会计师
注册会计师
税务师
资产评估师
教师类
中学教师笔试
小学教师笔试
幼儿教师笔试
幼儿结构化面试
幼儿专业面试
中小学结构化面试
学历提升
成考(专升本)
成考(高起本、高起专)
自考
网校课程
登录
注册好礼
我的主页
我的提问
我的回答
退出
当前位置:
首页
>
(结构) 专业基础考试一级
>
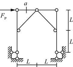
图示结构a杆轴力为( )。
单选
图示结构a杆轴力为( )。
A 0.5Fp
B -0.5Fp
C 1.5Fp
D -1.5Fp
正确答案
D
查看解析
搜索
相关试题
单选
使钢材冷脆性加剧的主要元素是( )。
A 碳(C) B 硫(S) C 磷(P) D 锰(Mn)
查看
单选
混凝土用集料的内部孔隙充满水但表面没有水膜,该含水状态被称为( )。
A 气干状态 B 绝干状态 C 湿润状态 D 饱和面干状态
查看
单选
混凝土的强度受到其材料组成的影响,决定混凝土强度的主要因素是( )。
A 骨料密度 B 砂的细度模数 C 外加剂种类 D 水灰(胶)比
查看
单选
具有一定的化学组成,内部质点周期性排列的固体,称为( )。
A 晶体 B 凝胶体 C 玻璃体 D 溶胶体
查看
单选
硅酸盐水泥生产过程中添加适量的石膏,目的是为了调节( )。
A 水泥的密度 B 水泥的比表面积 C 水泥的强度 D 水泥的凝结时间
查看
单选
为了获得乳化沥青,需要在沥青中加入( )。
A 乳化剂 B 硅酸盐水泥 C 矿粉 D 石膏
查看
单选
三角高程测量中,设水平距离为D,α为竖直角,仪器高为i,杆标高为v,球气差改正为f,则测站点与目标点间高差可表示为( )。
A Dtgα+i-v+f B Dtgα+v-i+f C Dcos2α+i-v+f D Dcos2α+v-i+f
查看
单选
误差具有下列何种特性?( )
A 系统误差不具有累积性 B 取均值可消除系统误差 C 检校仪器可消除或减弱系统误差 D 理论上无法消除或者减弱偶然误差
查看
单选
某建设单位于2010年3月20日领到施工许可证,开工后于2010年5月10日中止施工。根据《建筑法》规定,该建设单位向施工许可证发证机关报告的最迟期限应是201
A 6月19日 B 8月9日 C 6月9日 D 9月19日
查看
单选
混凝土施工缝宜留置在( )。
A 结构受剪力较小且便于施工的位置 B 遇雨停工处 C 结构受弯矩较小且便于施工的位置 D 结构受力复杂处
查看
刷题小程序
热门试卷
2017年注册结构工程师《专业基础考试》真题
2018年注册结构工程师《专业基础考试》真题
2019年注册结构工程师《专业基础考试》真题
2020年注册结构工程师《专业基础考试》真题
2021年注册结构工程师《专业基础考试》真题
2022年注册结构工程师《专业基础考试》真题
2023年注册结构工程师《专业基础考试》真题
2024年注册结构工程师《专业基础考试》真题