首页
考研
最新考研题库
中外美术史23新版
建筑类
二级建造师
一级建造师
一级造价工程师
监理工程师
安全工程师
一级消防工程师
消防设施操作员
医学类
主治类
执业药师
护师(初级)资格证考试
主管护师(中级)资格证考试
护士资格证考试
医师类
中药学类
金融类
基金从业资格
银行从业资格
证券从业资格
期货从业资格
银行招聘考试
财会类
初级经济师
中级经济师
初级会计师
中级会计师
注册会计师
税务师
资产评估师
教师类
中学教师笔试
小学教师笔试
幼儿教师笔试
幼儿结构化面试
幼儿专业面试
中小学结构化面试
学历提升
成考(专升本)
成考(高起本、高起专)
自考
网校课程
登录
注册好礼
我的主页
我的提问
我的回答
退出
当前位置:
首页
>
(结构) 专业基础考试一级
>
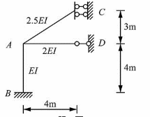
图示结构用力矩分配法计算时,分配系数μAC为( )。
单选
图示结构用力矩分配法计算时,分配系数μAC为( )。
A A.1/4
B B.1/2
C C.2/3
D D.4/9
正确答案
C
查看解析
搜索
相关试题
单选
含水率为5%的砂250g,其中所含的水量为( )。
A A.12.5g B B.12.9g C C.11.0g D D.11.9g
查看
单选
粉煤灰是现代混凝土材料胶凝材料中常见的矿物掺合物,其主要活性成分是( )。
A A.二氧化硅和氧化钙 B B.二氧化硅和三氧化二铝 C C.氧化钙和三氧化二铝 D D.氧化铁和三氧化二铝
查看
单选
亲水材料的润湿角( )。
A A.>90° B B.≤90° C C.>45° D D.≤180°
查看
单选
某工程基础部分使用大体积混凝土浇筑,为降低水泥水化温升,针对水泥可以用如下措施( )
A A.加大水泥用量 B B.掺入活性混合材料 C C.提高水泥细度 D D.减少碱含量
查看
单选
混凝土强度的形式受到其养护条件的影响,主要是指( )。
A A.环境温湿度 B B.搅拌时间 C C.试件大小 D D.混凝土水灰比
查看
单选
石油沥青的软化点反映了沥青的( )。
A A.粘滞性 B B.温度敏感性 C C.强度 D D.耐久性
查看
单选
下列何项对比例尺精度的解释是正确的( )。
A A.传统地形图上0.1mm所代表的实地长度 B B.数字地形图上0.1mm所代表的实地长度 C C.数字地形图上0.2mm所代表的实地长度 D D.传统地形图上0.2mm所代表的实地长度
查看
单选
钢尺量距时,下面哪项改正是不需要的( )。
A A.尺子改正 B B.温度改正 C C.倾斜改正 D D.地球曲率和大气折光改正
查看
单选
取得注册结构工程师执业资格证书者,要从事结构工程师设计业务的,需申请注册,下列情形中,可以予以注册的是( )。
A A.甲不具备完全民事行为能力 B B.乙曾受过刑事处罚,处罚完毕之日至申请注册之日已满3年 C C.丙因曾在结构工程设计业务中犯有错误并受到了行政处罚,处罚决定之日起至申请注册之日已满3年 D D.丁曾被吊销证书,自处罚决定之日起至申请注册之日止已满3年
查看
单选
作为检验填土压实质量控制指标的是( )。
A A.土的干密度 B B.土的压实度 C C.土的压缩比 D D.土的可松性
查看
刷题小程序
热门试卷
2017年注册结构工程师《专业基础考试》真题
2018年注册结构工程师《专业基础考试》真题
2019年注册结构工程师《专业基础考试》真题
2020年注册结构工程师《专业基础考试》真题
2021年注册结构工程师《专业基础考试》真题
2022年注册结构工程师《专业基础考试》真题
2023年注册结构工程师《专业基础考试》真题
2024年注册结构工程师《专业基础考试》真题